LEMON Manuals: Even more car manuals for everyone
Home >> Mercury >> 2008 >> Sable Base, AWD >> Repair and Diagnosis (Single Page) >> Engine Performance >> System >> Engine Controls - Pinpoint Test A: No Start Through Pinpoint Test DK: Accelerator Pedal Position (App) Sensor - (Except Diesel & Hybrid) >> PINPOINT TEST B: Powertrain Control Module (PCM) Power Relay >> Introduction

PINPOINT TEST B: Powertrain Control Module (PCM) Power Relay: Introduction

NOTE: The IGN START/RUN and ground circuits, or the B+ and VPWR circuits may be reversed in the harness connector. Refer to the Wiring Diagrams article Electronic Engine Control for schematic and connector information.

This pinpoint test is intended to diagnose the following:

Fig 1: Injector (INJ) Connector
GF0001545Courtesy of FORD MOTOR CO.
Vehicle Connector Pin Circuit
Fusion 3.0L,
Milan 3.0L
A 1 VPWR
All other vehicles A 2 VPWR
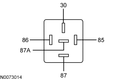
Fig 2: Powertrain Control Module Power (PCM Power) Relay Connector - A
GF0001546Courtesy of FORD MOTOR CO.
Fig 3: Powertrain Control Module Power (PCM Power) Relay Connector - B
GF0040731Courtesy of FORD MOTOR CO.
Fig 4: Powertrain Control Module Power (PCM Power) Relay Connector - C
GF0001481Courtesy of FORD MOTOR CO.
Vehicle Connector Pin Circuit
Crown Victoria,
Escape/Mariner,
Grand Marquis
A 5
2
1
3
VPWR
GND
IGN START/RUN
B+
Expedition,
F-Super Duty,
Fusion,
Milan,
MKZ,
Navigator,
Sable,
Taurus,
Taurus X
B 87
86
30, 85
VPWR
PCMRC
B+
Explorer,
Explorer Sport Trac,
Mountaineer
B 87
85
30, 86
VPWR
PCMRC
B+
F-150,
Mark LT
A 5
1
2, 3
VPWR
PCMRC
B+
Focus A 3
2
1, 5
VPWR
PCMRC
B+
Mustang C 87
85
30, 86
VPWR
PCMRC
B+
All other vehicles B 87
85
86
30
VPWR
GND
IGN START/RUN
B+
Vehicle Connector Pin Circuit
Edge,
MKX,
Sable,
Taurus,
Taurus X
190 Pin B33
B51, B52, B53
B7
B8
INJPWRM
VPWR
ISP-R
PCMRC
Escape/Mariner 150 (50-50-50) Pin B35, B36 VPWR
Expedition,
Navigator
140 Pin B33
B51, B52, B53
B7
B8
INJPWRM
VPWR
ISP-R
PCMRC
Explorer,
Explorer Sport Trac,
Mountaineer
170 Pin B35, B36
B46
B37
VPWR
ISP-R
PCMRC
F-150 4.6L,
F-150 5.4L,
Mark LT
190 Pin B51, B52, B53
B17
B40
VPWR
ISP-R
PCMRC
F-150 4.2L 190 Pin B33
B51, B52, B53
B17
B40
INJPWRM
VPWR
ISP-R
PCMRC
F-Super Duty 170 Pin E23
B35, B36
B31
B37
INJPWRM
VPWR
ISP-R
PCMRC
Focus 190 Pin B21
B67, B68
B42
B38
INJPWRM
VPWR
ISP-R
PCMRC
Fusion,
Milan,
MKZ
140 Pin B45
B51, B52
B37
B35
INJPWRM
VPWR
ISP-R
PCMRC
Mustang 170 Pin E23
B35, B36
B46
B37
INJPWRM
VPWR
ISP-R
PCMRC
All other vehicles 170 Pin B35, B36 VPWR