LEMON Manuals: Even more car manuals for everyone
Home >> Mercury >> 2004 >> Marauder >> Repair and Diagnosis >> External Pages >> Different car >> Section 1896 (Module Communications Network System) >> Diagnostic Tests >> Communications Network >> Pinpoint Tests >> Pinpoint Test J: The Smart Junction Box (SJB) Does Not Respond To The Scan Tool >> Pinpoint Test J: The Smart Junction Box (SJB) Does Not Respond To The Scan Tool

Pinpoint Test J: The Smart Junction Box (SJB) Does Not Respond To The Scan Tool

WARNING: This page is about a different car, the 2008 Mercury Mariner and 2008 Ford Escape. However, it is still accessible from the selected car via links, so may be relevant.
NOTE: Use the correct probe adapter(s) when making measurements. Failure to use the correct probe adapter(s) may damage the connector.
  1. J1 CHECK THE SJB FUSE FOR VOLTAGE 
    • Key in OFF position.
    • Measure the voltage between the back of the SJB fuse 5 (10A) terminals (both sides) and ground.
    • Fig 1: Checking Circuit For Voltage
      GF0023534Courtesy of FORD MOTOR CO.
    • Is the voltage greater than 10 volts? 
    1. YES  : Go to  J2.
    2. NO  : VERIFY the smart junction box (SJB) fuse 5 (10A) is OK. If OK, REPAIR the circuit. CLEAR the DTCs. REPEAT the network test with the scan tool.
  2. J2 CHECK THE SJB GROUND CIRCUIT FOR AN OPEN 
    • Disconnect: SJB C2280d
    • Measure the resistance between the SJB C2280d-24, circuit GD182 (BK/BU), harness side and ground; and between the SJB C2280d-12, circuit GD182 (BK/BU), harness side and ground.
    • Fig 2: Measuring Resistance
      GF0042746Courtesy of FORD MOTOR CO.
    • Are the resistances less than 5 ohms? 
    1. YES  : Go to  J3.
    2. NO  : REPAIR the circuit in question. CLEAR the DTCs. REPEAT the network test with the scan tool.
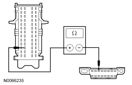
  3. J3 CHECK THE MS-CAN CIRCUITS BETWEEN THE SJB AND THE DATA LINK CONNECTOR (DLC) FOR AN OPEN 
    • Disconnect: SJB C2280b
    • Measure the resistance between the SJB C2280b-37, circuit VDB06 (GY/OG), harness side and the DLC C251-3, circuit VDB06 (GY/OG), harness side.
    • Fig 3: Measuring Resistance
      GF0042747Courtesy of FORD MOTOR CO.
    • Measure the resistance between the SJB C2280b-38, circuit VDB07 (VT/OG), harness side and the DLC C251-11, circuit VDB07 (VT/OG), harness side.
    • Fig 4: Measuring Resistance
      GF0042748Courtesy of FORD MOTOR CO.
    • Are the resistances less than 5 ohms? 
    1. YES  : Go to  J4.
    2. NO  : REPAIR the circuit in question. CLEAR the DTCs. REPEAT the network test with the scan tool.
  4. J4 CHECK FOR CORRECT SJB OPERATION 
    • Disconnect all the SJB connectors.
    • Check for:
      • corrosion
      • damaged pins
      • pushed-out pins
    • Connect all the SJB connectors and make sure they seat correctly.
    • Operate the system and verify the concern is still present.
    • Is the concern still present? 
    1. YES  : INSTALL a new SJB. REFER to MULTIFUNCTION ELECTRONIC MODULES article. CLEAR the DTCs. REPEAT the network test with the scan tool.
    2. NO  : The system is operating correctly at this time. The concern may have been caused by a loose or corroded connector. CLEAR the DTCs. REPEAT the network test with the scan tool.