LEMON Manuals: Even more car manuals for everyone
Home >> Mercury >> 2002 >> Villager Base >> Repair and Diagnosis >> External Pages >> Different car >> Section 216 (Module Communications Network) >> Diagnosis And Testing >> Communications Network >> Pinpoint Tests >> Pinpoint Test H: No Module/Network Communication - No Power To The Diagnostic Tool

Pinpoint Test H: No Module/Network Communication - No Power To The Diagnostic Tool

WARNING: This page is about a different car, the 2005 Ford RV Cutaway, 2005 Ford Econoline, 2005 Ford E450 Super Duty, and 2005 Ford Cutaway. However, it is still accessible from the selected car via links, so may be relevant.
  1. H1 CHECK THE DIAGNOSTIC TOOL CONNECTOR 
    • Inspect the diagnostic tool pins for damage.
    • Are the pins OK? 
    • Yes  : GO to H2.
    • No  : REPAIR the diagnostic tool connector. CARRY OUT the diagnostic tool data link test.
  2. H2 CHECK THE DATA LINK CONNECTOR (DLC) C251 FOR DAMAGE 
    • Key in OFF position.
    • Inspect the DLC C251 pins for damage.
    • Are the pins OK? 
    • Yes  : GO to H3.
    • No  : REPAIR the DLC C251. CARRY OUT the diagnostic tool data link test.
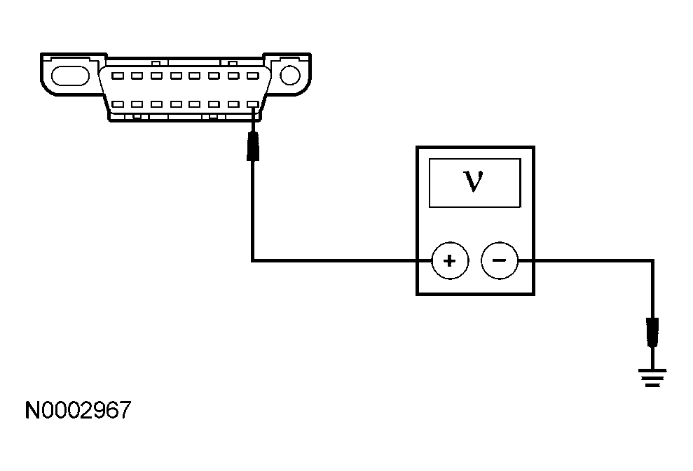
  3. H3 CHECK THE VOLTAGE TO THE DLC C251 CIRCUIT 40 (LB/WH) 
    • Measure the voltage between the DLC C251-16, circuit 40 (LB/WH), harness side and ground.
      Fig 1: Measuring Voltage Between Circuit 40 And Ground
      G03879965Courtesy of FORD MOTOR CO.
    • Is the voltage greater than 10 volts? 
    • Yes  : GO to H4.
    • No  : REPAIR the circuit. CARRY OUT the diagnostic tool data link test.
  4. H4 CHECK THE DLC GROUND CIRCUIT 875 (BK/LB) AND CIRCUIT 570 (BK) 
    • Measure the resistance between the DLC C251-4, circuit 875 (BK/LB), harness side and ground; and between the DLC C251-5, circuit 570 (BK), harness side and ground.
      Fig 2: Measuring Resistance Between Circuit 875, 570 And Ground
      G03879966Courtesy of FORD MOTOR CO.
    • Are the resistances less than 5 ohms? 
    • Yes  : REPAIR the diagnostic tool. CARRY OUT the diagnostic tool data link test.
    • No  : REPAIR the circuit in question. CARRY OUT the diagnostic tool data link test.