LEMON Manuals: Even more car manuals for everyone
Home >> Mercedes Benz >> 2021 >> A220 Base >> Repair and Diagnosis >> Engine Performance >> Engine Control Systems >> Throttle Control, Speed Control Systems - 177 Chassis >> Wiring Diagrams >> Wiring Diagram For Mercedes-Benz Intelligent Drive Control Unit >> Wiring Diagram For Mercedes-Benz Intelligent Drive Control Unit - PE30.30-P-2106-97IBA

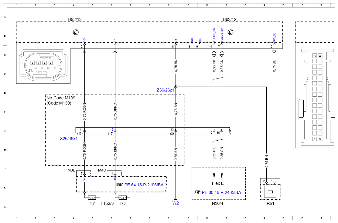
Wiring Diagram For Mercedes-Benz Intelligent Drive Control Unit - PE30.30-P-2106-97IBA

Model 177 

with code 233 (DISTRONIC PLUS) 

Control unit N62/4, radar sensor B92/12 

Code: Designation: Position:
A0 Use of wiring diagrams 72L
B92/10 Left outer rear radar sensor 36L
B92/12 Short and long-range radar sensor 4A
B92/12 Short and long-range radar sensor 12A
B92/12 Short and long-range radar sensor 57H
B92/12 Short and long-range radar sensor 57D
B92/12 Short and long-range radar sensor 45A
B92/7 Right outer rear radar sensor 30L
CAN S2 Rear radar CAN 37K
CAN S2 Rear radar CAN 30K
Code M139 Inline 4-cylinder SPARK-IGNITION ENGINE M139 - AMG 3F
Code M139 Inline 4-cylinder SPARK-IGNITION ENGINE M139 - AMG 3E
F152/3 Engine compartment fuse and relay module 6L
F152/3f47 Fuse 47 -
F152/3f70 Fuse 70 -
F152/4 Vehicle interior fuse and relay module 20L
F152/4f107 Fuse 107 -
Flex E Chassis FlexRay 11K
Flex E Chassis FlexRay 42J
Flex E Chassis FlexRay 40J
Flex E Chassis FlexRay 41J
N10 Central control module 25L
N15/17 All-wheel drive control unit 41K
N15/17 All-wheel drive control unit 40L
N30/4 Electronic Stability Program control unit 11L
N51/5 Adaptive damping system control unit 41L
N62/4 Mercedes-Benz Intelligent Drive control unit 20A
N62/4 Mercedes-Benz Intelligent Drive control unit 28A
N62/4 Mercedes-Benz Intelligent Drive control unit 42K
N62/4 Mercedes-Benz Intelligent Drive control unit 41L
N62/4 Mercedes-Benz Intelligent Drive control unit 57G
N62/4 Mercedes-Benz Intelligent Drive control unit 57E
N62/4 Mercedes-Benz Intelligent Drive control unit 37A
N62/4 Mercedes-Benz Intelligent Drive control unit 53A
N73 Electronic ignition switch control unit 40K
R61 Radome heater 14L
W15 Right front footwell ground point 20E
W2 Right front engine compartment ground point 9L
W6 Left wheel arch trunk ground point 34L
X26/38x1 Front bumper electrical connector 4H
Z36/26z1 Ground connection connector sleeve 9E
Z36/53z2 Rear radar CAN (CAN S2) low connector sleeve 30G
Z36/54z2 Rear radar CAN (CAN S2) high connector sleeve 28G
Z3z1 Tml. 15 connector sleeve 27G
Z6/56z1 Circuit 31 connector sleeve 33H
G15490388Courtesy of MERCEDES-BENZ USA
G15490389Courtesy of MERCEDES-BENZ USA
G15490390Courtesy of MERCEDES-BENZ USA
G15490391Courtesy of MERCEDES-BENZ USA
G15490392Courtesy of MERCEDES-BENZ USA