LEMON Manuals: Even more car manuals for everyone
Home >> Mercedes Benz >> 2021 >> A220 Base >> Repair and Diagnosis >> Engine Performance >> Engine Control Systems >> Throttle Control, Speed Control Systems - 177 Chassis >> Wiring Diagrams >> Wiring Diagram For Active Brake Assist Controller Unit >> Wiring Diagram For Active Brake Assist Controller Unit - PE30.30-P-2108-97IBA

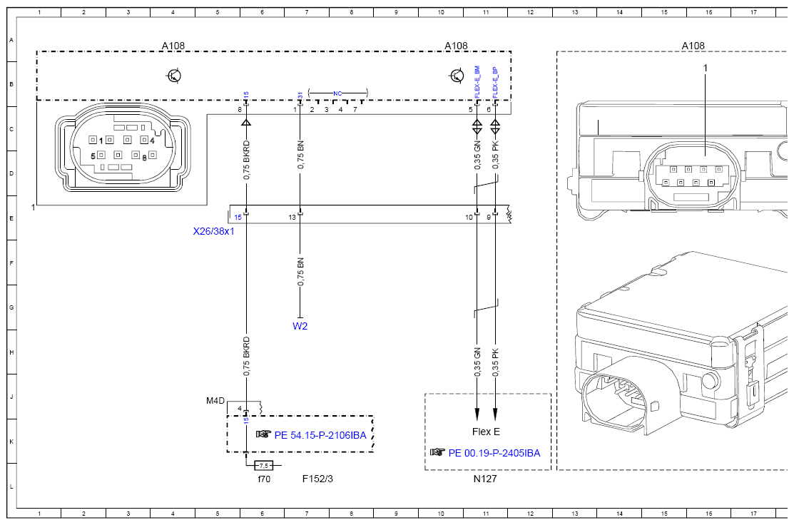
Wiring Diagram For Active Brake Assist Controller Unit - PE30.30-P-2108-97IBA

Model 177 

with code 258 (COLLISION PREVENTION ASSIST) 

Control unit A108 

Code: Designation: Position:
A0 Use of wiring diagrams 32L
A108 Active Brake Assist controller unit 4A
A108 Active Brake Assist controller unit 10A
A108 Active Brake Assist controller unit 16A
A108 Active Brake Assist controller unit 20A
F152/3 Engine compartment fuse and relay module 7L
F152/3f70 Fuse 70 6L
Flex E Chassis FlexRay 11K
N127 Drivetrain control unit 11L
W2 Right front engine compartment ground point 7H
X26/38x1 Front bumper electrical connector 5E
G15490395Courtesy of MERCEDES-BENZ USA
G15490396Courtesy of MERCEDES-BENZ USA