LEMON Manuals: Even more car manuals for everyone
Home >> Mercedes Benz >> 2019 >> A220 Base >> Repair and Diagnosis >> Engine Performance >> Engine Control Systems >> Throttle Control, Speed Control Systems - 177 Chassis >> Wiring Diagrams >> Wiring Diagram For Distronic Distance-Pilot Controller Unit >> Wiring Diagram For Distronic Distance-Pilot Controller Unit - PE30.30-P-2107-97IBA

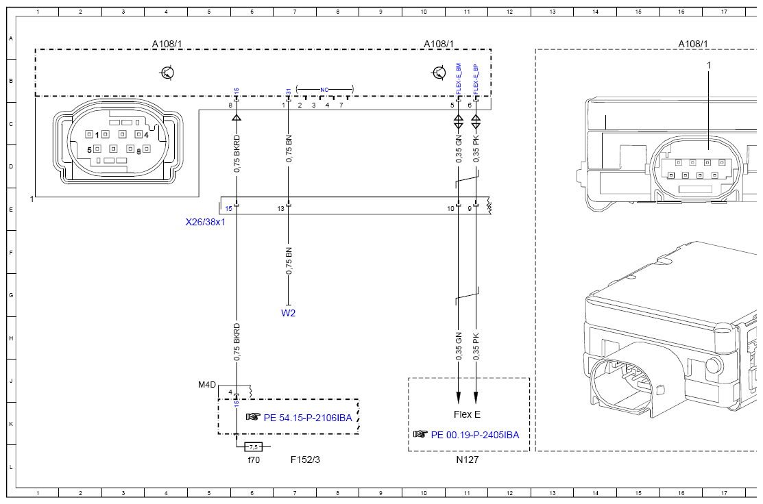
Wiring Diagram For Distronic Distance-Pilot Controller Unit - PE30.30-P-2107-97IBA

Model 177 

with code 239 (Active Distance Assist DISTRONIC) 

Controller unit A108/1 

Code: Designation: Position:
A0 Use of wiring diagrams 32L
A108/1 Active Distance Assist DISTRONIC electric controller unit 4A
A108/1 Active Distance Assist DISTRONIC electric controller unit 10A
A108/1 Active Distance Assist DISTRONIC electric controller unit 16A
A108/1 Active Distance Assist DISTRONIC electric controller unit 21A
F152/3 Engine compartment fuse and relay module 7L
F152/3f70 Fuse 70 6L
Flex E Chassis FlexRay 11K
N127 Drivetrain control unit 11L
W2 Right front engine compartment ground point 7H
X26/38x1 Front bumper electrical connector 5E
G15490393Courtesy of MERCEDES-BENZ USA
G15490394Courtesy of MERCEDES-BENZ USA