LEMON Manuals: Even more car manuals for everyone
Home >> Mercedes Benz >> 2013 >> Sprinter 2500, Van Cargo Extended >> Repair and Diagnosis >> External Pages >> Different car >> Section 13 (Mixture Formation - Description & Operation, General Information, Basic Knowledge, Safety Precautions, Testing & Repair, Test & Adjustment Values - Model 906 (Engine 651)) >> Basic Knowledge >> Engine Vacuum System - As-Built Configuration - GF07.09-D-0800HD

Engine Vacuum System - As-Built Configuration - GF07.09-D-0800HD

WARNING: This page does not describe the selected car, but rather 12 other vehicles, including the 2018 Mercedes-Benz Sprinter 3500XD, 2018 Mercedes-Benz Sprinter 3500, 2018 Mercedes-Benz Sprinter 2500, 2017 Mercedes-Benz Sprinter 3500XD, and 2017 Mercedes-Benz Sprinter 3500. However, it is still accessible from the selected car via links, so may be relevant.

ENGINES 651.955/956/957 in MODEL 906 

with CODE (XZ1) Model generation 1 

with CODE (MZ0) Blue EFFICIENCY 

Schematic representation of the vacuum 

system, engine 651.940/956 

G13186432Courtesy of MERCEDES-BENZ USA

Function of engine 651.940/956 

The vacuum pump is driven by the crankshaft via a gear drive and generates the required vacuum. The exhaust gas recirculation cooling solenoid valve is connected with the vacuum pump over vacuum hoses and lines.

If the exhaust gas recirculation cooling solenoid valve is actuated dependent on a characteristic map by means of a pulse width modulation (PWM) signal then the vacuum acts on the exhaust gas recirculation cooler bypass vacuum unit and opens the bypass duct over which the part of the exhaust is passed by the exhaust gas recirculation cooler.

G13186433Courtesy of MERCEDES-BENZ USA

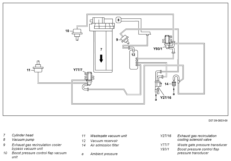
Schematic representation of the vacuum system, engine 651.955/957 

Function of engine 651 955/957 

The vacuum pump is driven by the crankshaft via a gear drive and generates the required vacuum. The vacuum pump is connected to the vacuum reservoir via a vacuum hose.

The vacuum reservoir is connected to the following components via vacuum hoses and lines:

If the wastegate pressure transducer is actuated dependent on a characteristic map by means of a pulse width modulation (PWM) signal then vacuum acts on the wastegate vacuum unit and opens the wastegate in the low-pressure turbocharger continuously so that part of the exhaust flow bypasses the low-pressure turbocharger and is fed into the exhaust system.

If the boost pressure control flap pressure transducer is actuated by means of a PWM signal according to a performance map, the vacuum acts on the boost pressure control flap vacuum unit and opens the boost pressure control flap in the high-pressure turbocharger steplessly so that part of the exhaust flow bypasses the high-pressure turbocharger and is fed to the low-pressure turbocharger.

If the exhaust gas recirculation cooling solenoid valve is actuated dependent on a characteristic map by means of a pulse width modulation (PWM) signal then the vacuum acts on the exhaust gas recirculation cooler bypass vacuum unit and opens the bypass duct over which the part of the exhaust is passed by the exhaust gas recirculation cooler.

The 2 pressure transducers are ventilated with ambient pressure via a common vent filter.

Aeration of the exhaust gas recirculation cooling solenoid valve with ambient pressure takes place over an aeration connection with filter directly on the exhaust gas recirculation cooling solenoid valve.