LEMON Manuals: Even more car manuals for everyone
Home >> Mercedes Benz >> 1987 >> 300SDL >> Repair and Diagnosis >> Engine Performance >> System >> EGR System >> Testing - Diesel System >> EGR Protective Circuit

EGR Protective Circuit

Connect vacuum tester, with "Y" fitting to EGR valve. Run engine to 1200 RPM, then pull off plug on coolant temperature switch and hold against ground. With 10 in. Hg vacuum on EGR valve, cooling fan clutch should come on. If cooling fan is not on, check electrical circuit and repeat test. If circuit is okay, replace ECU.

Fig 1: EGR System Diagram (190D)
G65854Courtesy of MERCEDES-BENZ OF NORTH AMERICA.
Fig 2: EGR System Diagram (190TD 2.6L)
G65855Courtesy of MERCEDES-BENZ OF NORTH AMERICA.
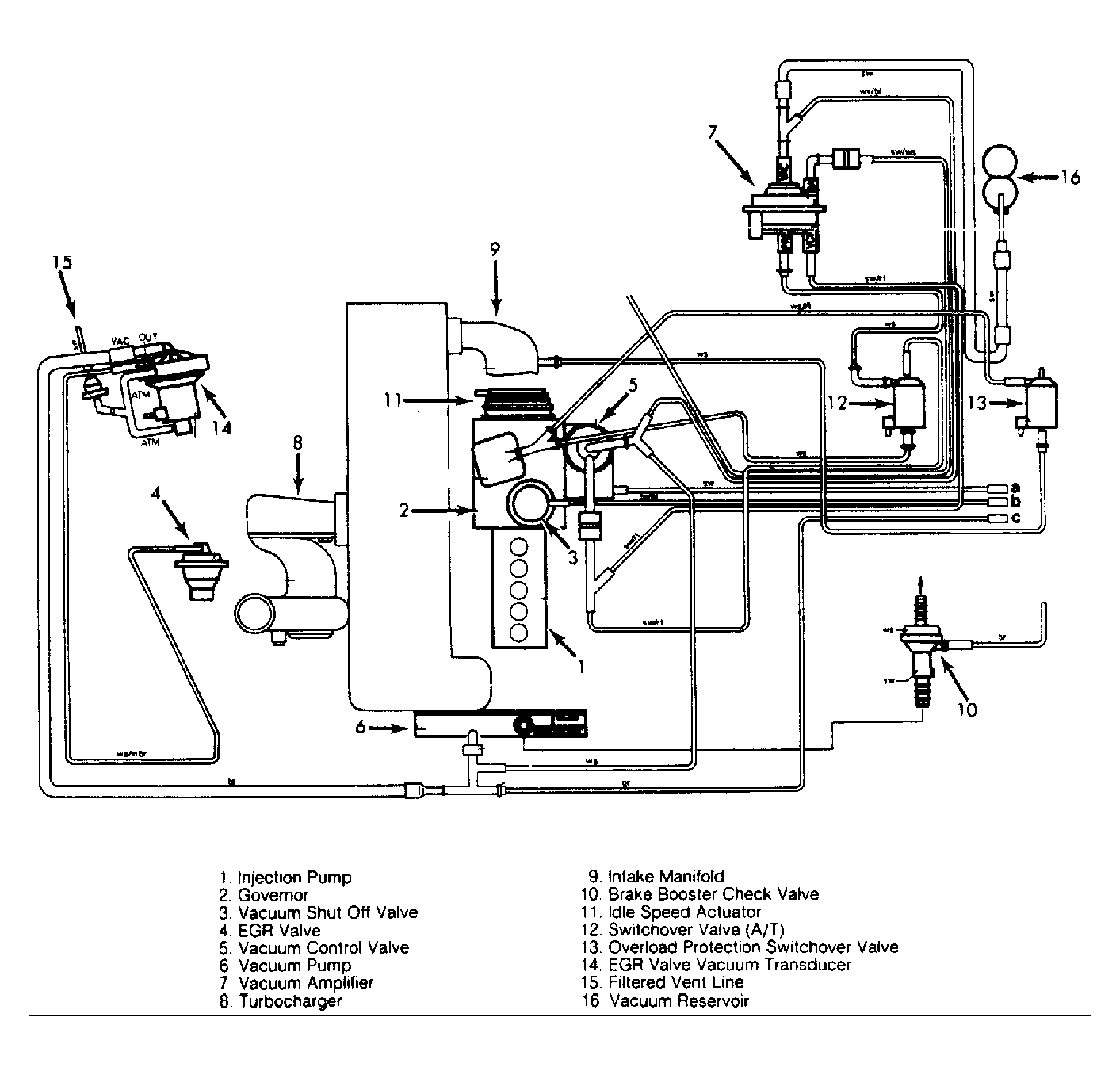
Fig 3: EGR System Diagram (300TD)
G65856Courtesy of MERCEDES-BENZ OF NORTH AMERICA.