LEMON Manuals: Even more car manuals for everyone
Home >> Mazda >> 2024 >> CX-90 Turbo Select >> Repair and Diagnosis >> Electrical >> Charging Systems >> On-Board Diagnostic - Battery Charge Control Module >> DTC P2E2D-00: Battery Charge Control Module Power Supply Voltage: Low Input

DTC P2E2D-00: Battery Charge Control Module Power Supply Voltage: Low Input

WARNING: <<High voltage>>
  • If the necessary measures are not taken before servicing an electric vehicle, it could cause electrical shock and result in serious injury or, in the worst case, death. Before servicing the electric vehicle, refer to [HIGH VOLTAGE SERVICE CAUTIONS ] in the general information and implement the necessary measures. (Refer to [HIGH VOLTAGE SERVICE CAUTIONS ] in service information).
P2E2D-00: (OBC) DETECTION CONDITION AND POSSIBLE CAUSE

System malfunction location Battery charge control module power supply voltage: Low input
Detection condition
  • The battery charge control module (onboard charger) detects that the voltage value in the battery charge control module (onboard charger) power supply circuit is the standard or less.
Fail-safe
  • Stops charging
Possible cause
WARNING: <<High voltage>>
  • If necessary measures such as wearing the correct protective gear are not taken when inspecting or removing/installing the high voltage parts, it could cause electrical shock and result in serious injury or, in the worst case, death.
  • Before inspecting or removing/installing the high voltage parts, refer to [HIGH VOLTAGE SERVICE CAUTIONS ] in the general information and [High Voltage Part Inspection and Removal/Installation Notes] of the high voltage system service cautions and implement the necessary measures and preparations. (Refer to [HIGH VOLTAGE SERVICE CAUTIONS ] in service information). (Refer to [HIGH VOLTAGE SYSTEM SERVICE CAUTIONS ] in service information).
  1. DTCs are stored in the following modules.
  2. Charger relay malfunction (Refer to [RELAY INSPECTION ] in service information).
  3. Malfunction in wiring harness (including connector/terminal) between lead-acid battery and charger relay (See CIRCUIT INSPECTION .) (See CONNECTOR INSPECTION .)
  4. Malfunction in wiring harness (including connector/terminal) between charger relay and battery charge control module (See CIRCUIT INSPECTION .) (See CONNECTOR INSPECTION .)
  5. Lead-acid battery malfunction (Refer to [BATTERY INSPECTION ] in service information).
  6. Battery charge control module malfunction (Refer to [ONBOARD CHARGER REMOVAL/INSTALLATION ] in service information).
Repeatability verification procedure
  1. Clear the DTC recorded in the memory. (See CLEARING DTC .)
  2. Perform charging using charging equipment other than that used when the DTC was output.
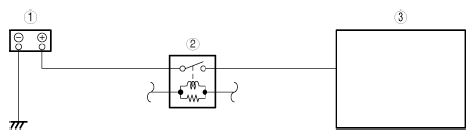
G16690730Courtesy of MAZDA MOTORS CORP.
1 Lead-acid battery
2 Charger relay
3 Battery charge control module