LEMON Manuals: Even more car manuals for everyone
Home >> Mazda >> 2021 >> CX-3 AWD >> Repair and Diagnosis >> Engine Performance >> Engine Control Systems >> Control System Wiring Diagram >> With coolant control valve

With coolant control valve

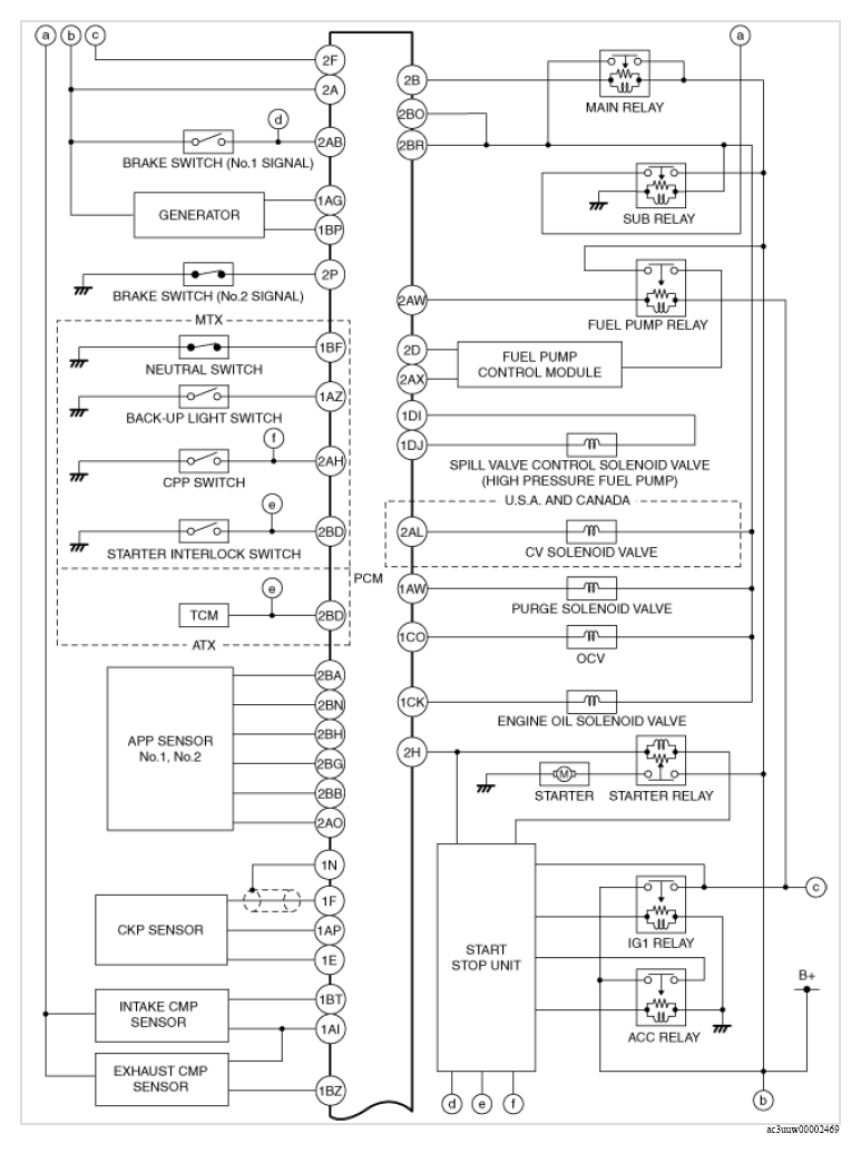
G13149711Courtesy of MAZDA MOTORS CORP.
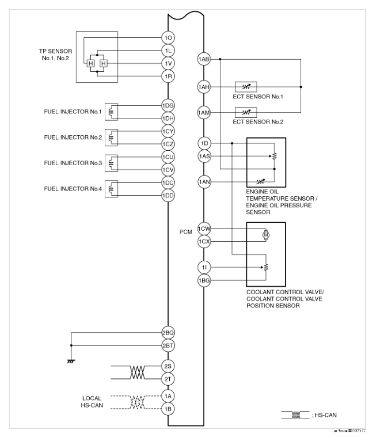
G13149712Courtesy of MAZDA MOTORS CORP.
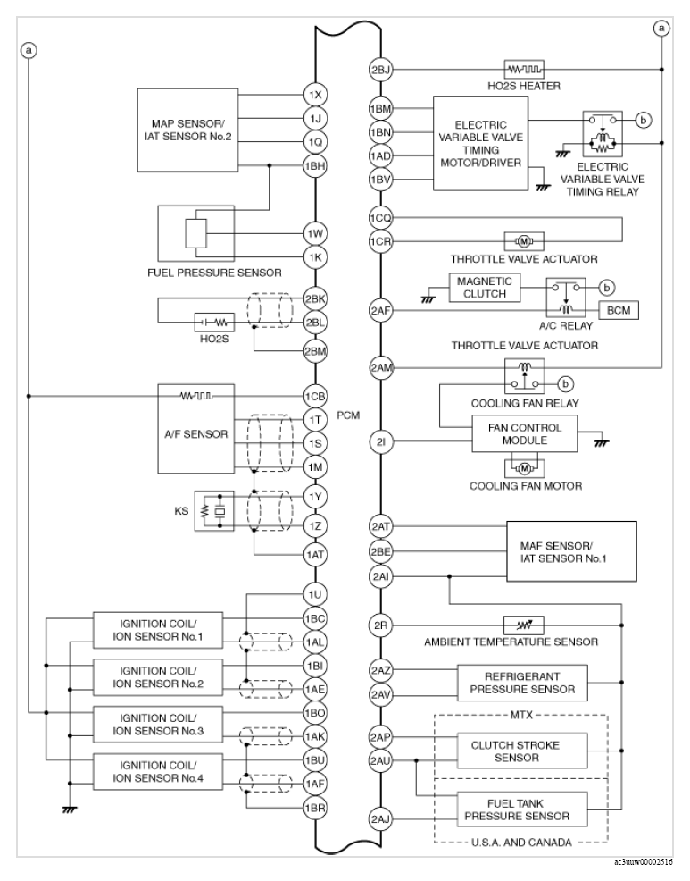
G13149713Courtesy of MAZDA MOTORS CORP.