LEMON Manuals: Even more car manuals for everyone
Home >> Mazda >> 2021 >> CX-3 AWD >> Repair and Diagnosis >> Engine Performance >> Engine Control Systems >> Control System Diagram

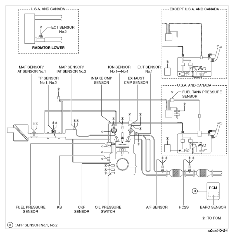
Control System Diagram

G13149699Courtesy of MAZDA MOTORS CORP.