LEMON Manuals: Even more car manuals for everyone
Home >> Mazda >> 2021 >> CX-3 AWD >> Repair and Diagnosis >> Accessories & Equipment >> Memory Modules >> On-Board Diagnostic - Position Memory Control Module >> On-Board Diagnostic Wiring Diagram

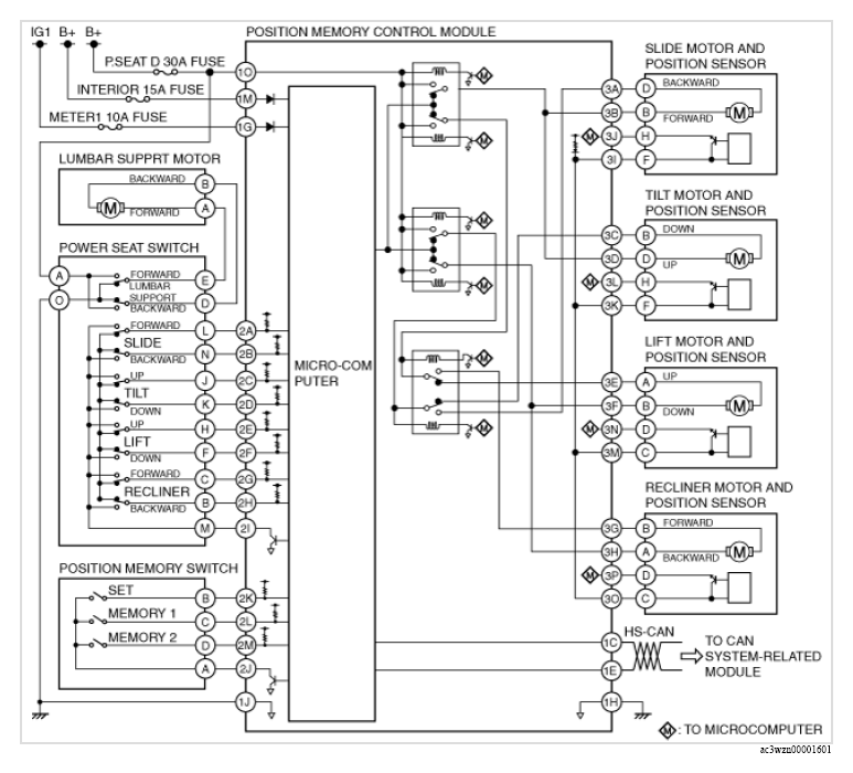
On-Board Diagnostic Wiring Diagram

G13151739Courtesy of MAZDA MOTORS CORP.