LEMON Manuals: Even more car manuals for everyone
Home >> Mazda >> 2021 >> 6 Touring >> Repair and Diagnosis >> Engine Performance >> Engine Control Systems >> Engine Control System (VIN M) >> Control System Diagram

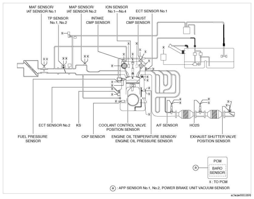
Control System Diagram

G13111258Courtesy of MAZDA MOTORS CORP.