LEMON Manuals: Even more car manuals for everyone
Home >> Mazda >> 2020 >> 6 Signature >> Repair and Diagnosis >> Accessories & Equipment >> Headlights >> On-Board Diagnostics - Adaptive Front Lighting System Control Module >> On-Board Diagnostic Wiring Diagram (Adaptive Front Lighting System (AFS) Control Module)

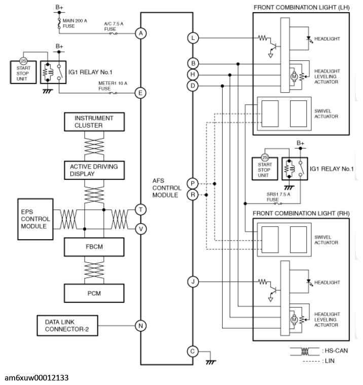
On-Board Diagnostic Wiring Diagram (Adaptive Front Lighting System (AFS) Control Module)

Fig 1: On-Board Diagnostic Wiring Diagram - Adaptive Front Lighting System Control Module
G12236681Courtesy of MAZDA MOTORS CORP.