LEMON Manuals: Even more car manuals for everyone
Home >> Mazda >> 2019 >> CX-9 Signature >> Repair and Diagnosis >> External Pages >> Different car >> Section 84 (On-Board Diagnostic - Adaptive Front Lighting System Control Module) >> On-Board Diagnostic Wiring Diagram [Adaptive Front Lighting System (AFS) Control Module]

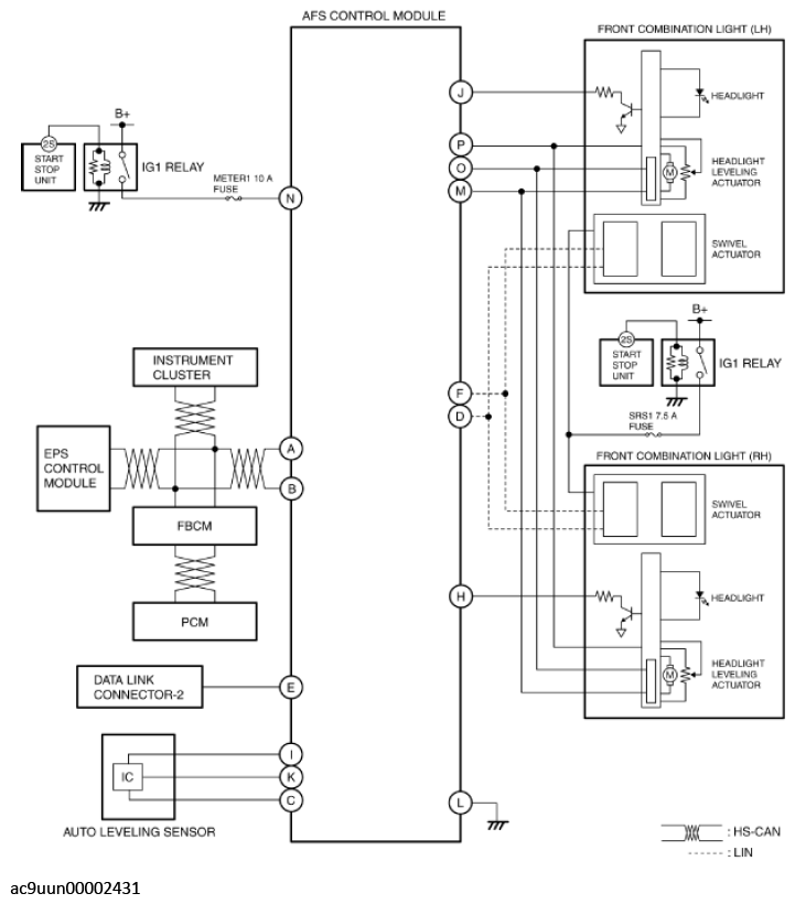
On-Board Diagnostic Wiring Diagram [Adaptive Front Lighting System (AFS) Control Module]

WARNING: This page is about a different car, the 2017 Mazda CX-9. However, it is still accessible from the selected car via links, so may be relevant.
Fig 1: Adaptive Front Lighting System Control Module Wiring Diagram
G11441284Courtesy of MAZDA MOTORS CORP.