LEMON Manuals: Even more car manuals for everyone
Home >> Mazda >> 2019 >> 6 Touring >> Repair and Diagnosis >> Engine Performance >> Engine Control Systems >> Engine Control System (VIN M) >> Control System Wiring Diagram

Control System Wiring Diagram

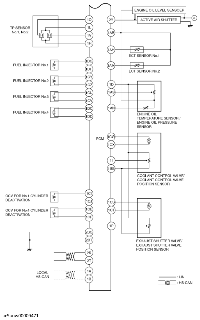
Fig 1: Control System Wiring Diagram (1 Of 3)
G12232107Courtesy of MAZDA MOTORS CORP.
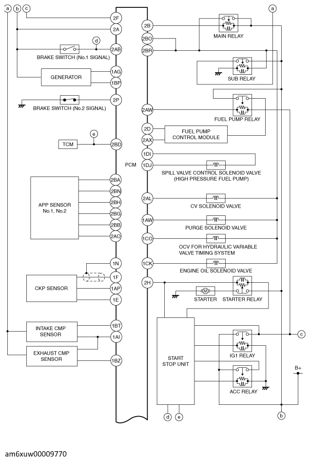
Fig 2: Control System Wiring Diagram (2 Of 3)
G12232108Courtesy of MAZDA MOTORS CORP.
Fig 3: Control System Wiring Diagram (3 Of 3)
G12232109Courtesy of MAZDA MOTORS CORP.