LEMON Manuals: Even more car manuals for everyone
Home >> Mazda >> 2018 >> CX-9 Signature >> Repair and Diagnosis >> Accessories & Equipment >> Memory Modules >> On-Board Diagnostic - Position Memory Control Module >> DTC B1B93-13: Recliner Motor And Position Sensor Circuit Malfunction >> Diagnostic Procedure

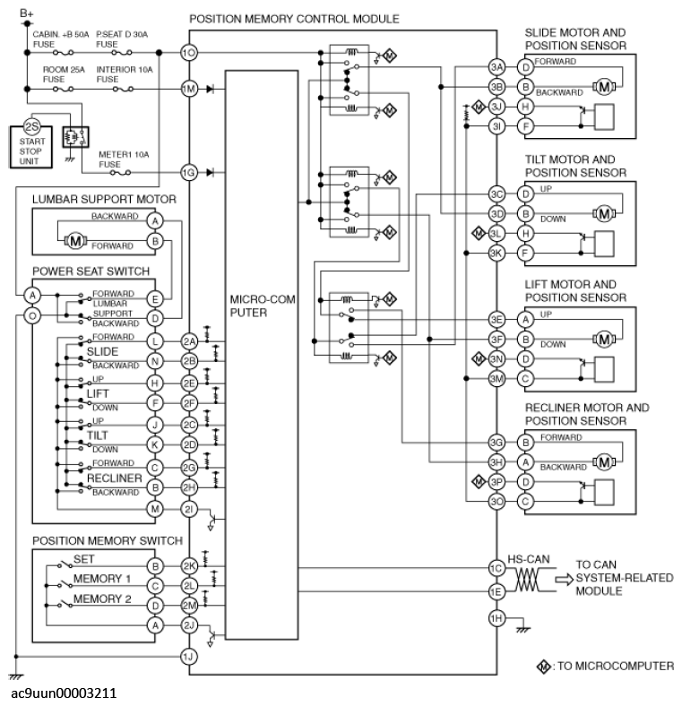
Diagnostic Procedure

DTC B1B93:13 (POSITION MEMORY CONTROL MODULE) DIAGNOSTIC PROCEDURE

Step Inspection Action
1 INSPECT RECLINER MOTOR AND POSITION SENSOR CONNECTOR
  • Switch the ignition off.
  • Disconnect the negative battery terminal. (See NEGATIVE BATTERY TERMINAL DISCONNECTION/CONNECTION .)
  • Disconnect the recliner motor and position sensor connector.
  • Inspect the connector engagement and connection condition and inspect the terminals for damage, deformation, corrosion, or disconnection.
  • Is the connector normal?
Yes Go to the next step.
No Repair or replace the connector, then go to Step 9.
2 INSPECT POSITION MEMORY CONTROL MODULE CONNECTOR
  • Disconnect the position memory control module connector.
  • Inspect the connector engagement and connection condition and inspect the terminals for damage, deformation, corrosion, or disconnection.
  • Is the connector normal?
Yes Go to the next step.
No Repair or replace the connector, then go to Step 9.
3 INSPECT RECLINER MOTOR AND POSITION SENSOR CIRCUIT FOR SHORT TO GROUND
  • Verify that the recliner motor and position sensor and position memory control module connectors are disconnected.
  • Inspect for continuity between the following terminals (wiring harness-side) and body ground:
    • Recliner motor and position sensor terminal B
    • Recliner motor and position sensor terminal A
    • Recliner motor and position sensor terminal C
      • Recliner motor and position sensor terminal D
  • Is there continuity?
Yes Refer to the Figure wiring diagram and verify whether or not there is a common connector between the following terminals:
  • Position memory control module terminal 3G-Recliner motor and position sensor terminal B
  • Position memory control module terminal 3H-Recliner motor and position sensor terminal A
  • Position memory control module terminal 3O-Recliner motor and position sensor terminal C
  • Position memory control module terminal 3P-Recliner motor and position sensor terminal D

    If there is a common connector:

  • Determine the malfunctioning part by inspecting the common connector and the terminal for corrosion, damage, or pin disconnection, and the common wiring harness for a short to ground.
  • Repair or replace the malfunctioning part.

    If there is no common connector:

  • Repair or replace the wiring harness which has a short to ground.

    Go to Step 9.

No Go to the next step.
4 INSPECT RECLINER MOTOR AND POSITION SENSOR CIRCUIT FOR SHORT TO POWER SUPPLY
  • Verify that the recliner motor and position sensor and position memory control module connectors are disconnected.
  • Connect the negative battery terminal. (See NEGATIVE BATTERY TERMINAL DISCONNECTION/CONNECTION .)
  • Switch the ignition ON (engine off or on).
  • Measure the voltage at the following terminals (wiring harness-side):
    • Recliner motor and position sensor terminal B
    • Recliner motor and position sensor terminal A
    • Recliner motor and position sensor terminal C
      • Recliner motor and position sensor terminal D
  • Is the voltage 0 V?
Yes Go to the next step.
No Refer to the Figure wiring diagram and verify whether or not there is a common connector between the following terminals:
  • Position memory control module terminal 3G-Recliner motor and position sensor terminal B
  • Position memory control module terminal 3H-Recliner motor and position sensor terminal A
  • Position memory control module terminal 3O-Recliner motor and position sensor terminal C
  • Position memory control module terminal 3P-Recliner motor and position sensor terminal D

If there is a common connector:
  • Determine the malfunctioning part by inspecting the common connector and the terminal for corrosion, damage, or pin disconnection, and the common wiring harness for a short to power supply.
  • Repair or replace the malfunctioning part.

If there is no common connector:
  • Repair or replace the wiring harness which has a short to power supply.

Go to Step 9.
5 INSPECT RECLINER MOTOR AND POSITION SENSOR CIRCUIT FOR OPEN CIRCUIT
  • Switch the ignition off.
  • Disconnect the negative battery terminal. (See NEGATIVE BATTERY TERMINAL DISCONNECTION/CONNECTION .)
  • Verify that the recliner motor and position sensor and position memory control module connectors are disconnected.
  • Inspect for continuity between the following terminals (wiring harness-side):
    • Position memory control module terminal 3G-Recliner motor and position sensor terminal B
    • Position memory control module terminal 3H-Recliner motor and position sensor terminal A
    • Position memory control module terminal 3O-Recliner motor and position sensor terminal C
      • Position memory control module terminal 3P-Recliner motor and position sensor terminal D
  • Is there continuity?
Yes Go to the next step.
No Refer to the Figure wiring diagram and verify whether or not there is a common connector between the following terminals:
  • Position memory control module terminal 3G-Recliner motor and position sensor terminal B
  • Position memory control module terminal 3H-Recliner motor and position sensor terminal A
  • Position memory control module terminal 3O-Recliner motor and position sensor terminal C
  • Position memory control module terminal 3P-Recliner motor and position sensor terminal D

    If there is a common connector:

  • Determine the malfunctioning part by inspecting the common connector and the terminal for corrosion, damage, or pin disconnection, and the common wiring harness for an open circuit.
  • Repair or replace the malfunctioning part.

If there is no common connector:
  • Repair or replace the wiring harness which has an open circuit.

Go to Step 9.
6 INSPECT RECLINER MOTOR Yes Go to the next step.
No Replace the front seat, then go to Step 9.
(See FRONT SEAT REMOVAL/INSTALLATION .)
7 INSPECT POSITION MEMORY CONTROL MODULE Yes Go to the next step.
No Replace the position memory control module, then go to Step 9.
(See POSITION MEMORY CONTROL MODULE REMOVAL/INSTALLATION .)
8 VERIFY IF MALFUNCTIONING LOCATION IS RECLINER POSITION SENSOR DEPENDING ON REPEATABILITY Yes Replace the front seat, then go to the next step.
(See FRONT SEAT REMOVAL/INSTALLATION .)
No Go to Step 10.
9 VERIFY THAT REPAIRS HAVE BEEN COMPLETED Yes Repeat the inspection from Step 1.
Go to the next step.
No Go to the next step.
10 VERIFY IF OTHER DTCs DISPLAYED
  • Are any other DTCs displayed?
Yes Repair or replace the malfunctioning part according to the applicable DTC troubleshooting.
(See DTC TABLE (Position Memory Control Module) .)
No DTC troubleshooting completed.