LEMON Manuals: Even more car manuals for everyone
Home >> Mazda >> 2018 >> 6 Signature >> Repair and Diagnosis >> Accessories & Equipment >> Memory Modules >> On-Board Diagnostic - Position Memory Control Module >> On-Board Diagnostic Wiring Diagram (Position Memory Control Module)

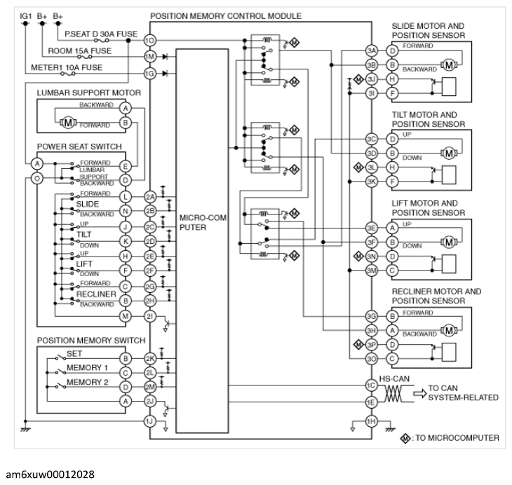
On-Board Diagnostic Wiring Diagram (Position Memory Control Module)

Fig 1: Position Memory Control Module On-Board Diagnostic Wiring Diagram
G12235891Courtesy of MAZDA MOTORS CORP.