LEMON Manuals: Even more car manuals for everyone
Home >> Mazda >> 2017 >> CX-9 Touring, AWD >> Repair and Diagnosis >> Accessories & Equipment >> Memory Modules >> On-Board Diagnostic - Position Memory Control Module >> On-Board Diagnostic Wiring Diagram [Position Memory Control Module]

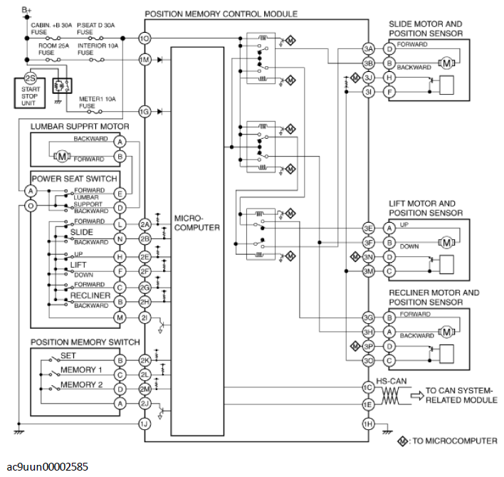
On-Board Diagnostic Wiring Diagram [Position Memory Control Module]

Fig 1: Position Memory Control Module On-Board Diagnostic Wiring Diagram
G11432254Courtesy of MAZDA MOTORS CORP.