LEMON Manuals: Even more car manuals for everyone
Home >> Mazda >> 2017 >> CX-9 Signature >> Repair and Diagnosis >> External Pages >> Different car >> Section 77 (On-Board Diagnostic - Auto Leveling Control Module) >> On-Board Diagnostic Wiring Diagram Auto Leveling Control Module

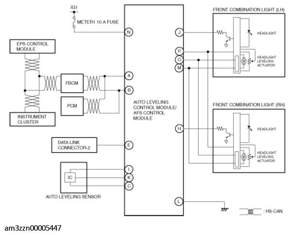
On-Board Diagnostic Wiring Diagram Auto Leveling Control Module

WARNING: This page is about a different car, the 2017 Mazda 3. However, it is still accessible from the selected car via links, so may be relevant.
Fig 1: On-Board Diagnostic Wiring Diagram - Auto Leveling Control Module
G11467197Courtesy of MAZDA MOTORS CORP.