LEMON Manuals: Even more car manuals for everyone
Home >> Mazda >> 2017 >> CX-9 Signature >> Repair and Diagnosis >> External Pages >> Different car >> Section 2 (Engine Control System) >> Control System Wiring Diagram

Control System Wiring Diagram

WARNING: This page is about a different car, the 2017 Mazda 3. However, it is still accessible from the selected car via links, so may be relevant.
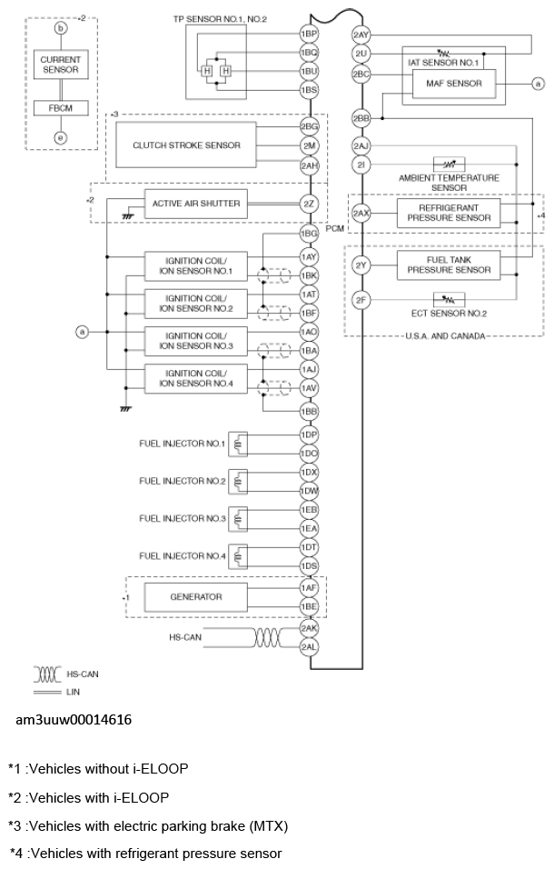
Fig 1: Control System Wiring Diagram - Skyactiv-G 2.0, Skyactiv-G 2.5 (1 Of 3)
G11450587Courtesy of MAZDA MOTORS CORP.
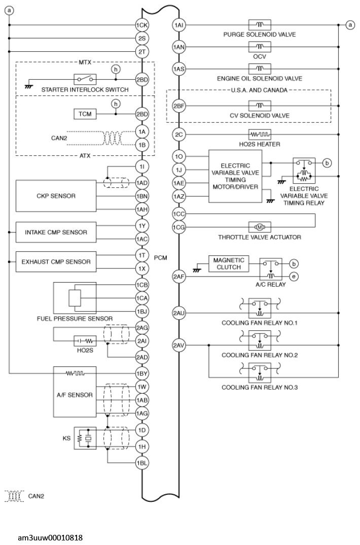
Fig 2: Control System Wiring Diagram - Skyactiv-G 2.0, Skyactiv-G 2.5 (2 Of 3)
G11450588Courtesy of MAZDA MOTORS CORP.
Fig 3: Control System Wiring Diagram - Skyactiv-G 2.0, Skyactiv-G 2.5 (3 Of 3)
G11450589Courtesy of MAZDA MOTORS CORP.