LEMON Manuals: Even more car manuals for everyone
Home >> Mazda >> 2017 >> CX-9 Signature >> Repair and Diagnosis >> Engine Performance >> Engine Control Systems >> Control System Wiring Diagram

Control System Wiring Diagram

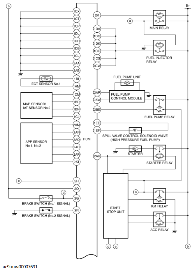
Fig 1: Control System Wiring Diagram (1 Of 4)
G11436073Courtesy of MAZDA MOTORS CORP.
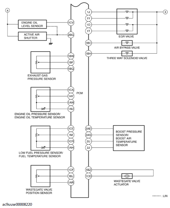
Fig 2: Control System Wiring Diagram (2 Of 4)
G11436074Courtesy of MAZDA MOTORS CORP.
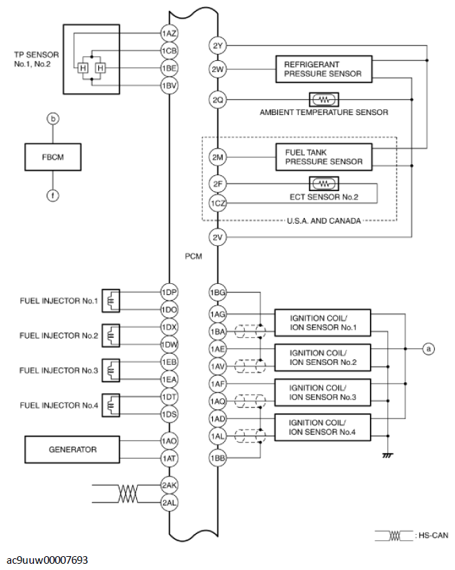
Fig 3: Control System Wiring Diagram (3 Of 4)
G11436075Courtesy of MAZDA MOTORS CORP.
Fig 4: Control System Wiring Diagram (4 Of 4)
G11436076Courtesy of MAZDA MOTORS CORP.