LEMON Manuals: Even more car manuals for everyone
Home >> Mazda >> 2017 >> CX-5 Grand Select, AWD >> Repair and Diagnosis >> External Pages >> Different car >> Section 43 (On-Board Diagnostic - Two-Step Deployment Control System) >> On-Board Diagnostic Wiring Diagram [Two-Step Deployment Control System]

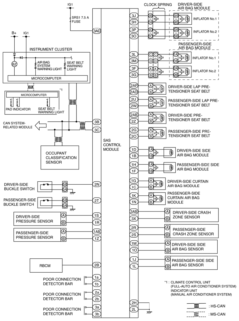
On-Board Diagnostic Wiring Diagram [Two-Step Deployment Control System]

WARNING: This page is about a different car, the 2016 Mazda CX-5. However, it is still accessible from the selected car via links, so may be relevant.
Fig 1: Two-Step Deployment Control System Wiring Diagram
G10937705Courtesy of MAZDA MOTORS CORP.
Fig 2: Identifying SAS Control Module Connector Terminals
G10937706Courtesy of MAZDA MOTORS CORP.