LEMON Manuals: Even more car manuals for everyone
Home >> Mazda >> 2017 >> CX-5 Grand Select, AWD >> Repair and Diagnosis >> Engine Performance >> Engine Control Systems >> Control System Diagram

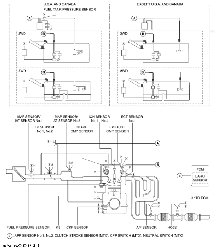
Control System Diagram

Fig 1: Fuel Tank Pressure Control System Diagram
G11427355Courtesy of MAZDA MOTORS CORP.