LEMON Manuals: Even more car manuals for everyone
Home >> Mazda >> 2017 >> CX-5 Grand Select, AWD >> Repair and Diagnosis >> Accessories & Equipment >> Headlights >> On-Board Diagnostic - Adaptive Front Lighting System Control Module >> On-Board Diagnostic Wiring Diagram [Adaptive Front Lighting System (AFS) Control Module]

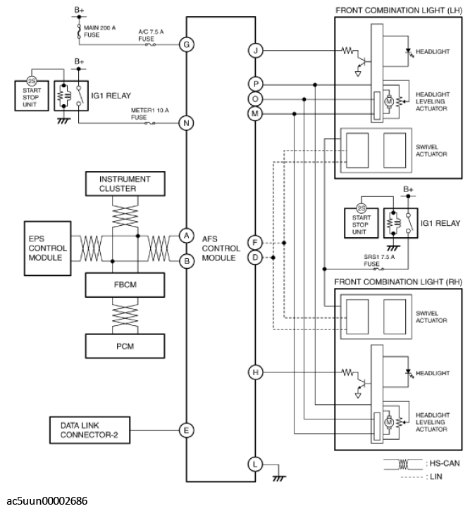
On-Board Diagnostic Wiring Diagram [Adaptive Front Lighting System (AFS) Control Module]

Fig 1: Adaptive Front Lighting System (AFS) Control Module - On-Board Diagnostic Wiring Diagram
G11432105Courtesy of MAZDA MOTORS CORP.