LEMON Manuals: Even more car manuals for everyone
Home >> Mazda >> 2017 >> 6 Sport, Automatic Trans >> Repair and Diagnosis >> Engine Performance >> Engine Control Systems >> Control System Wiring Diagram

Control System Wiring Diagram

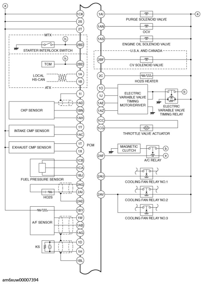
Fig 1: Control System Circuit Diagram (1 Of 3)
G11546706Courtesy of MAZDA MOTORS CORP.
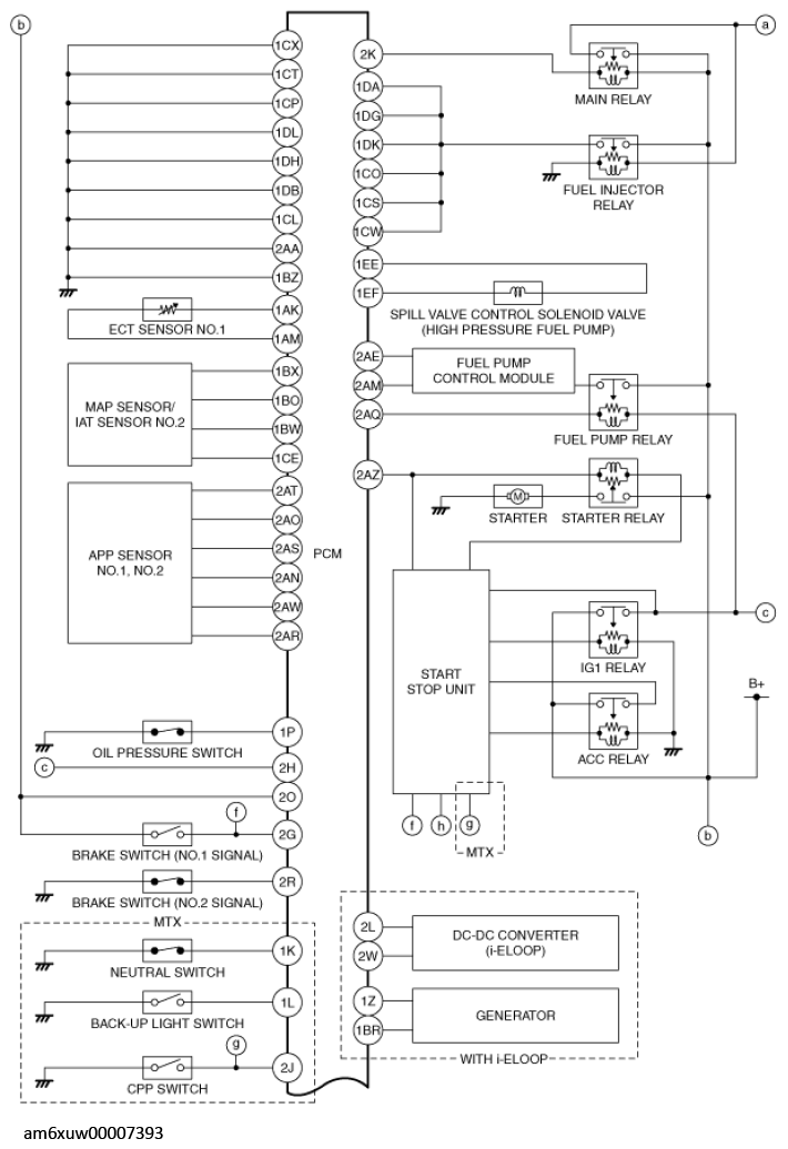
Fig 2: Control System Circuit Diagram (2 Of 3)
G11546707Courtesy of MAZDA MOTORS CORP.
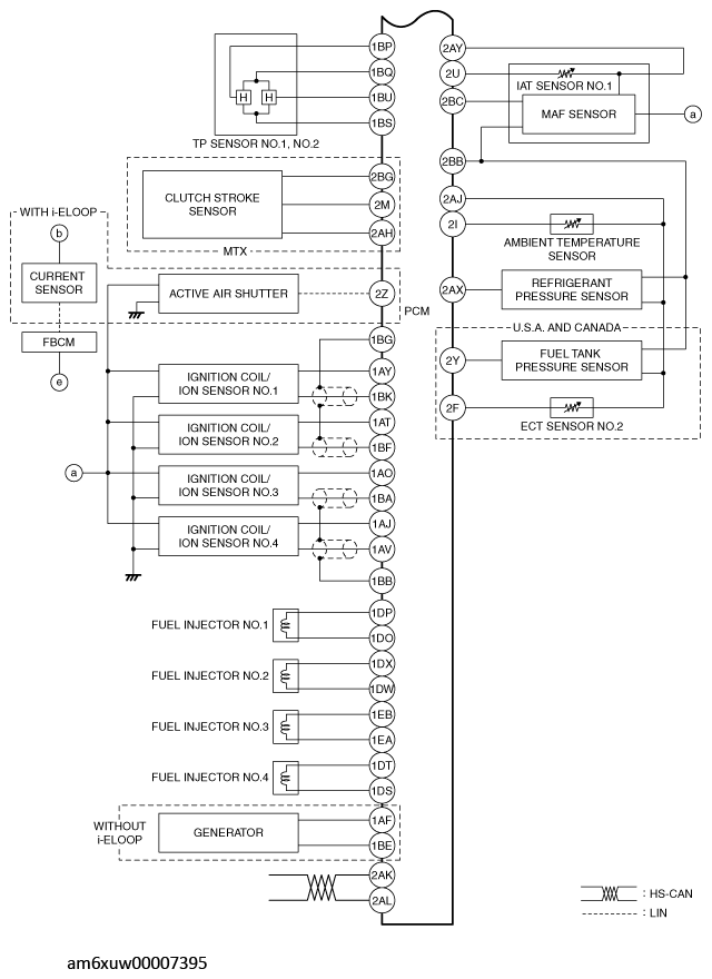
Fig 3: Control System Circuit Diagram (3 Of 3)
G11546708Courtesy of MAZDA MOTORS CORP.