LEMON Manuals: Even more car manuals for everyone
Home >> Mazda >> 2017 >> 6 Sport, Automatic Trans >> Repair and Diagnosis >> Accessories & Equipment >> Memory Modules >> On-Board Diagnostic - Position Memory Control Module >> On-Board Diagnostic Wiring Diagram [Position Memory Control Module]

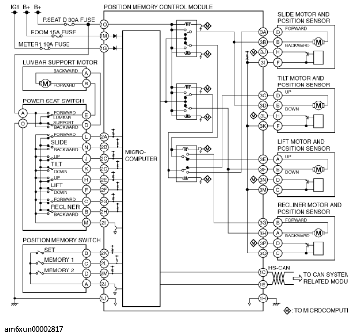
On-Board Diagnostic Wiring Diagram [Position Memory Control Module]

Fig 1: On-Board Diagnostic (Position Memory Control Module) Wiring Diagram
G11543357Courtesy of MAZDA MOTORS CORP.