LEMON Manuals: Even more car manuals for everyone
Home >> Mazda >> 2016 >> CX-9 Signature >> Repair and Diagnosis >> Engine Performance >> Engine Control Systems >> Control System Wiring Diagram

Control System Wiring Diagram

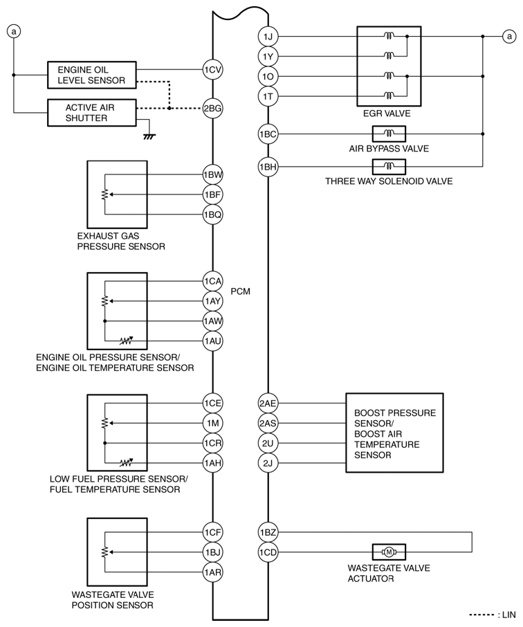
Fig 1: Control System Wiring Diagram (SKYACTIV-G 2.5T; 1 Of 4)
G10947066Courtesy of MAZDA MOTORS CORP.
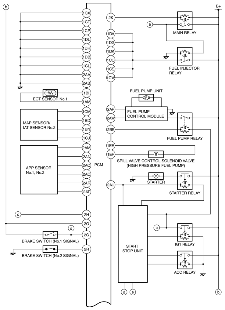
Fig 2: Control System Wiring Diagram (SKYACTIV-G 2.5T; 2 Of 4)
G10947067Courtesy of MAZDA MOTORS CORP.
Fig 3: Control System Wiring Diagram (SKYACTIV-G 2.5T; 3 Of 4)
G10947068Courtesy of MAZDA MOTORS CORP.
Fig 4: Control System Wiring Diagram (SKYACTIV-G 2.5T; 4 Of 4)
G10947069Courtesy of MAZDA MOTORS CORP.