LEMON Manuals: Even more car manuals for everyone
Home >> Mazda >> 2016 >> CX-9 Signature >> Repair and Diagnosis >> Accessories & Equipment >> Memory Modules >> On-Board Diagnostic - Position Memory Control Module >> On-Board Diagnostic Wiring Diagram

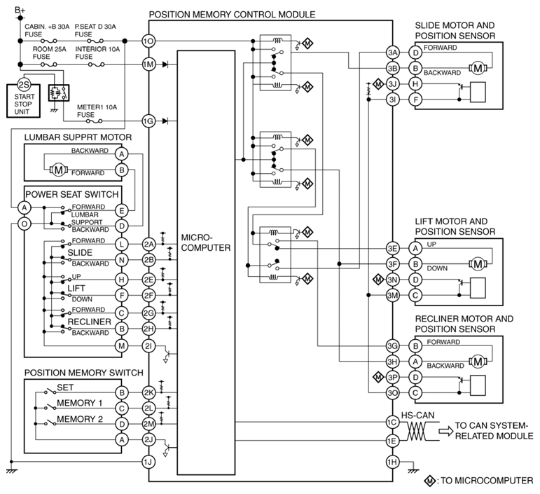
On-Board Diagnostic Wiring Diagram

Fig 1: On-Board Diagnostic Wiring Diagram (Position Memory Control Module)
G10948994Courtesy of MAZDA