LEMON Manuals: Even more car manuals for everyone
Home >> Mazda >> 2016 >> CX-5 Touring, AWD >> Repair and Diagnosis >> Engine Performance >> Engine Control Systems >> Engine Control System (Service Information) >> Control System Wiring Diagram

Control System Wiring Diagram

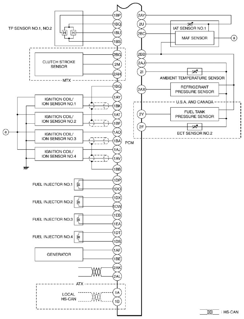
Fig 1: Control System Wiring Diagram (1 Of 3)
G10916518Courtesy of MAZDA MOTORS CORP.
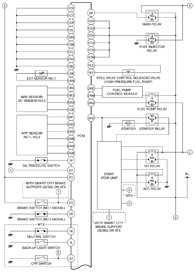
Fig 2: Control System Wiring Diagram (2 Of 3)
G10916519Courtesy of MAZDA MOTORS CORP.
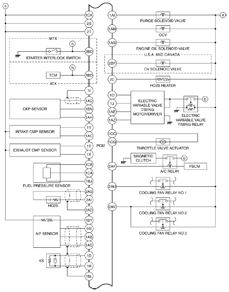
Fig 3: Control System Wiring Diagram (3 Of 3)
G10916520Courtesy of MAZDA MOTORS CORP.