LEMON Manuals: Even more car manuals for everyone
Home >> Mazda >> 2016 >> 6 Touring, Automatic Trans >> Repair and Diagnosis >> Engine Performance >> Engine Control Systems >> Control System Wiring Diagram

Control System Wiring Diagram

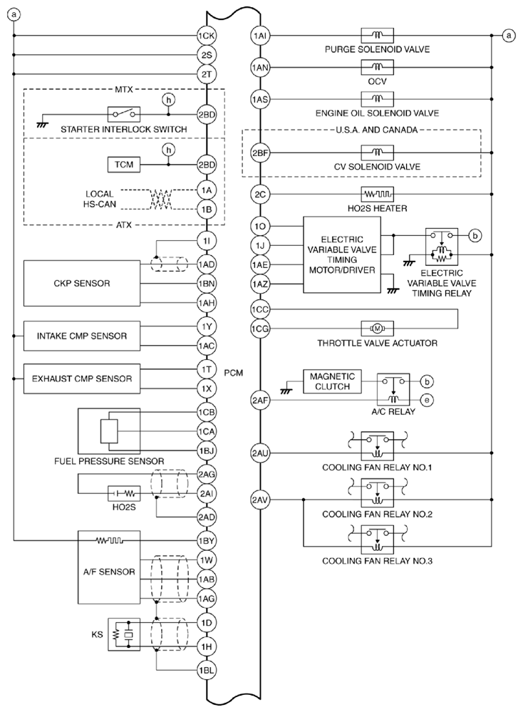
Fig 1: Control System Wiring Diagram (1 Of 3)
G10985566Courtesy of MAZDA MOTORS CORP.
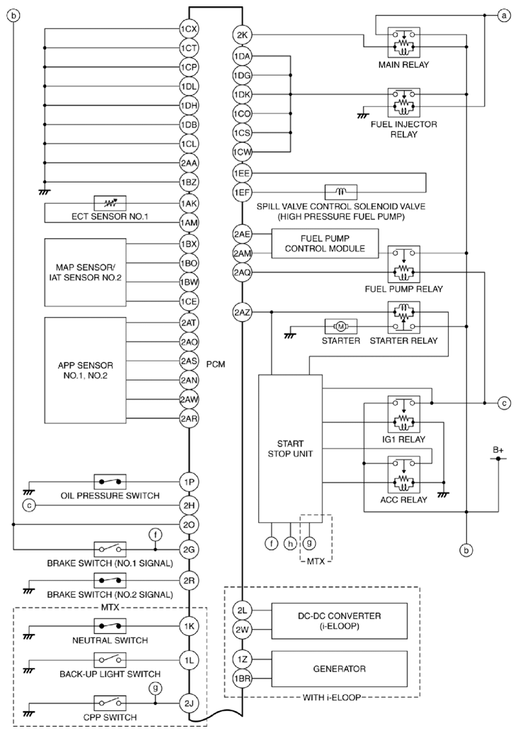
Fig 2: Control System Wiring Diagram (2 Of 3)
G10985567Courtesy of MAZDA MOTORS CORP.
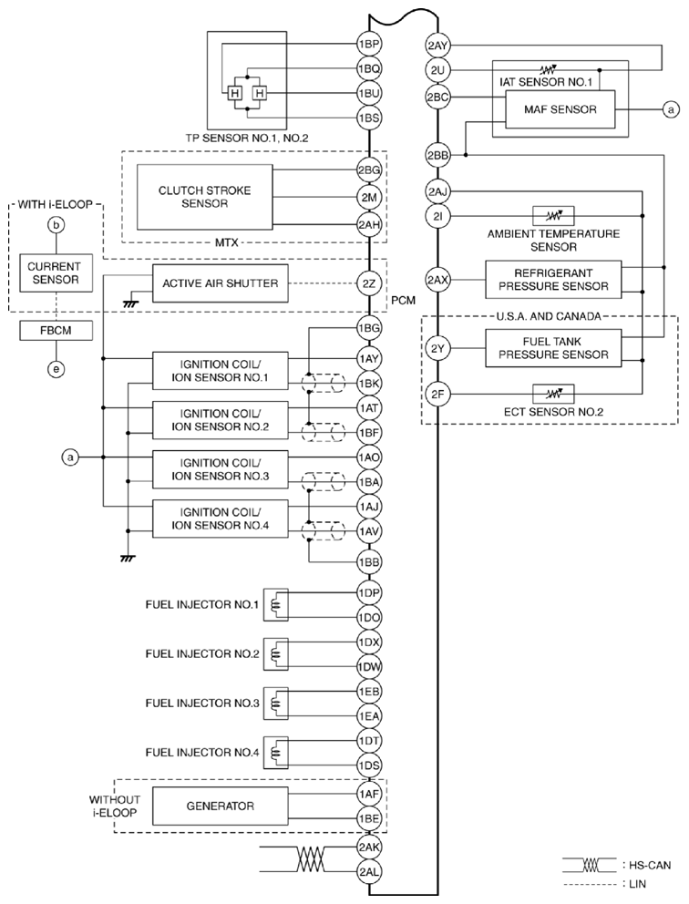
Fig 3: Control System Wiring Diagram (3 Of 3)
G10985568Courtesy of MAZDA MOTORS CORP.