LEMON Manuals: Even more car manuals for everyone
Home >> Mazda >> 2016 >> 6 Sport, Standard Trans >> Repair and Diagnosis >> Engine Performance >> Engine Control Systems >> Control System Diagram

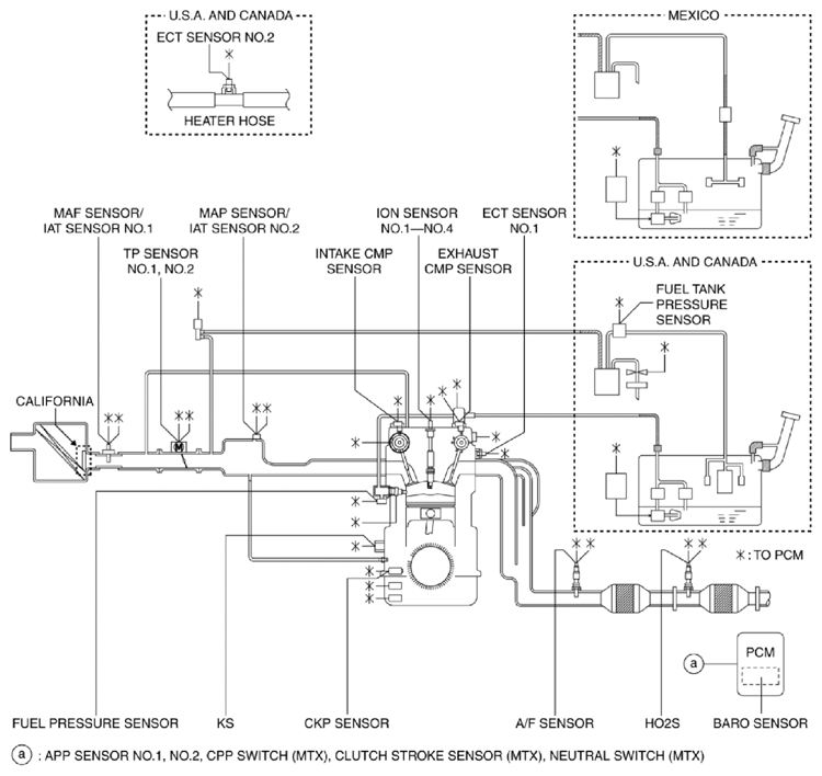
Control System Diagram

Fig 1: Control System Diagram
G10985565Courtesy of MAZDA MOTORS CORP.