LEMON Manuals: Even more car manuals for everyone
Home >> Mazda >> 2016 >> 5 GT, Automatic Trans >> Repair and Diagnosis >> Engine Performance >> Engine Control Systems >> Control System Diagram

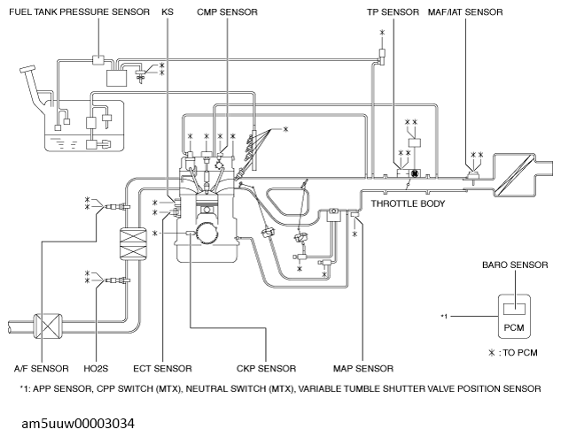
Control System Diagram

G13726869Courtesy of MAZDA MOTORS CORP.