LEMON Manuals: Even more car manuals for everyone
Home >> Mazda >> 2015 >> 5 Touring >> Repair and Diagnosis >> Engine Performance >> Engine Control Systems >> Engine Control System Wiring Diagram

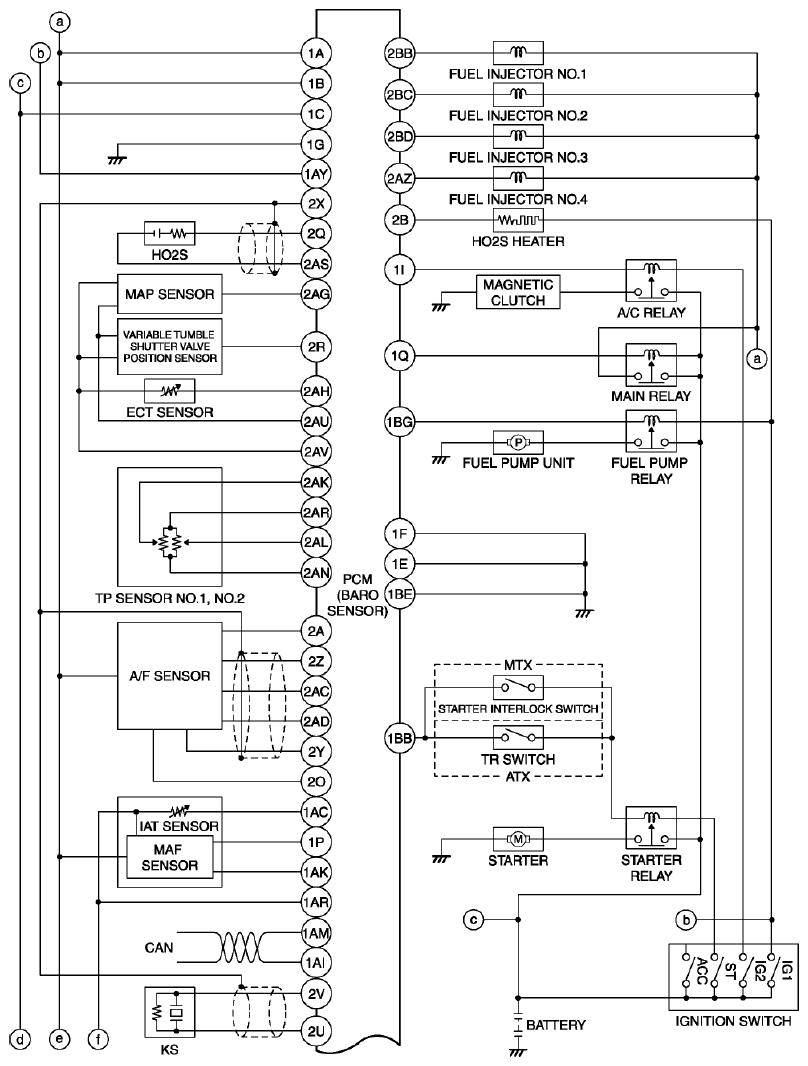
Engine Control System Wiring Diagram

Fig 1: Engine Control System Wiring Diagram (1 Of 2)
G08150311Courtesy of MAZDA MOTORS CORP.
Fig 2: Engine Control System Wiring Diagram (2 Of 2)
G08150312Courtesy of MAZDA MOTORS CORP.