LEMON Manuals: Even more car manuals for everyone
Home >> Mazda >> 2015 >> 3 SV, Automatic Trans >> Repair and Diagnosis >> External Pages >> Different car >> Section 10 (Engine Control System) >> Control System Wiring Diagram

Control System Wiring Diagram

WARNING: This page is about a different car, the 2014 Mazda 6. However, it is still accessible from the selected car via links, so may be relevant.
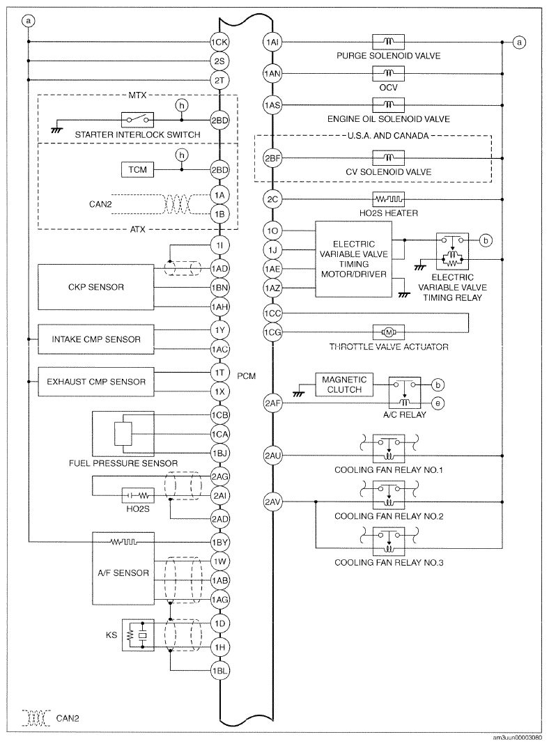
Fig 1: Control System - Wiring Diagram (1 Of 3)
G09785472Courtesy of MAZDA MOTORS CORP.
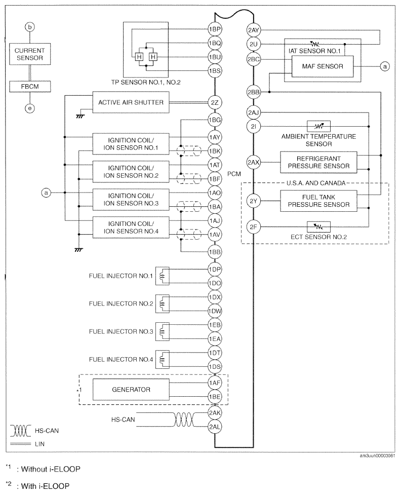
Fig 2: Control System - Wiring Diagram (2 Of 3)
G09785473Courtesy of MAZDA MOTORS CORP.
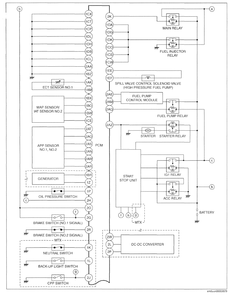
Fig 3: Control System - Wiring Diagram (3 Of 3)
G09785474Courtesy of MAZDA MOTORS CORP.