LEMON Manuals: Even more car manuals for everyone
Home >> Mazda >> 2013 >> CX-5 Touring, AWD >> Repair and Diagnosis >> Engine Performance >> Engine Control Systems >> Control System Wiring Diagram

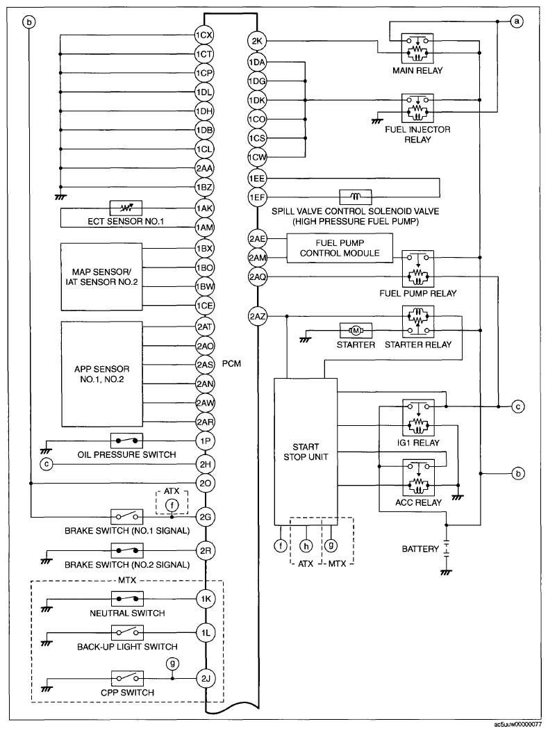
Control System Wiring Diagram

Fig 1: Control System - Wiring Diagram (1 Of 3)
G09074535
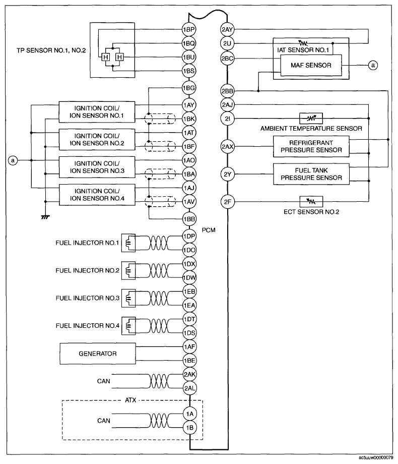
Fig 2: Control System - Wiring Diagram (2 Of 3)
G09074536
Fig 3: Control System - Wiring Diagram (3 Of 3)
G09074537