LEMON Manuals: Even more car manuals for everyone
Home >> Mazda >> 2012 >> 6 s Touring Plus >> Repair and Diagnosis >> External Pages >> Different car >> Section 610 (On-Board Diagnostic [Advanced Keyless Entry And Push Button Start System)) >> On-Board Diagnostic Wiring Diagram [Advanced Keyless Entry And Push Button Start System]

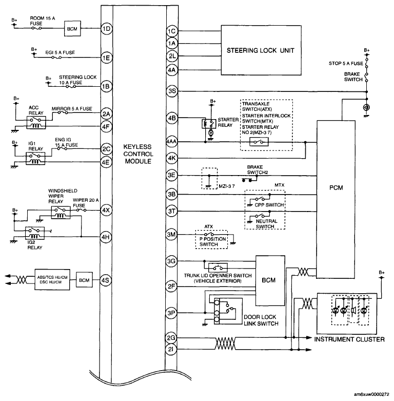
On-Board Diagnostic Wiring Diagram [Advanced Keyless Entry And Push Button Start System]

WARNING: This page is about a different car, the 2009 Mazda 6. However, it is still accessible from the selected car via links, so may be relevant.
Fig 1: Advanced Keyless Entry And Push Button Start System - Wiring Diagram (1 Of 2)
G06199654Courtesy of MAZDA MOTORS CORP.
Fig 2: Advanced Keyless Entry And Push Button Start System - Wiring Diagram (2 Of 2)
G06199655Courtesy of MAZDA MOTORS CORP.