LEMON Manuals: Even more car manuals for everyone
Home >> Mazda >> 2012 >> 6 s Touring Plus >> Repair and Diagnosis >> Accessories & Equipment >> Anti-Theft Systems >> On-Board Diagnostic [Advanced Keyless Entry System And Push Button Start System] >> On-Board Diagnostic Wiring Diagram [Advanced Keyless Entry And Push Button Start System]

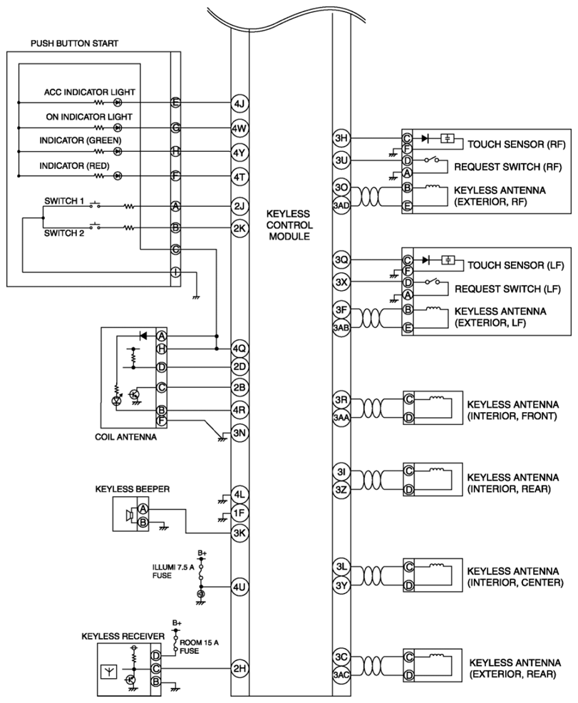
On-Board Diagnostic Wiring Diagram [Advanced Keyless Entry And Push Button Start System]

Fig 1: On-Board Diagnostic Wiring Diagram - Advanced Keyless Entry And Push Button Start System (1 Of 2)
G08143881
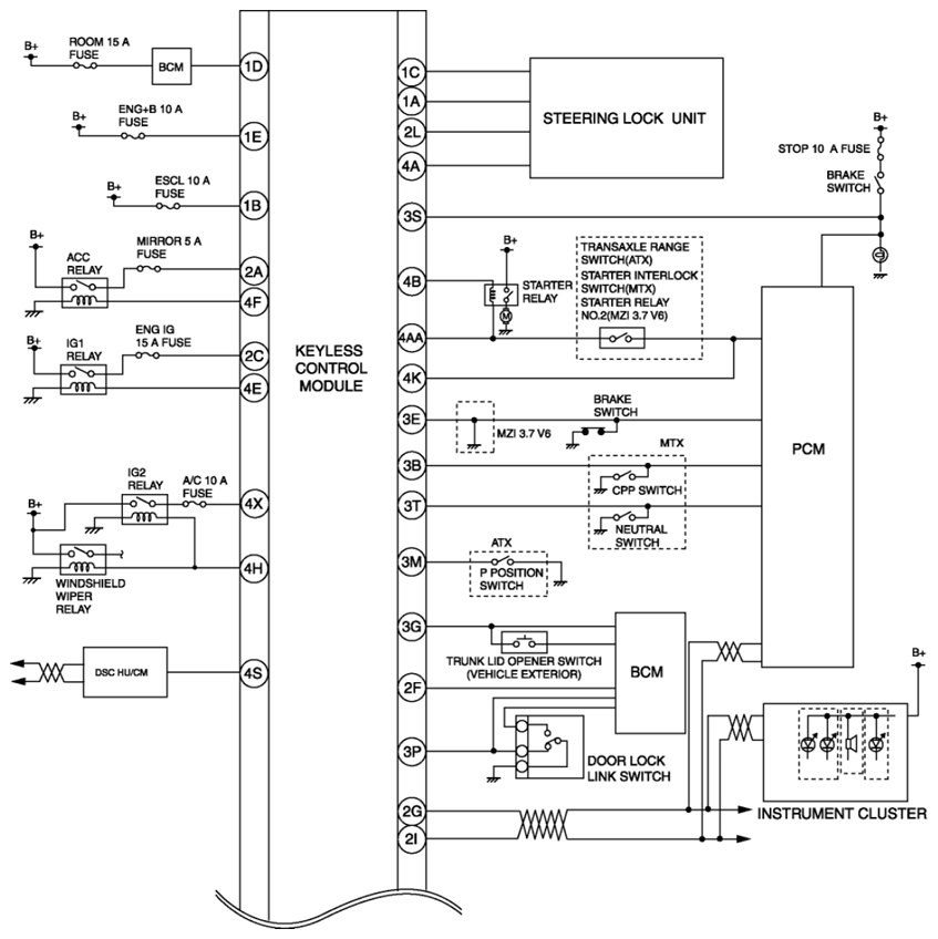
Fig 2: On-Board Diagnostic Wiring Diagram - Advanced Keyless Entry And Push Button Start System (2 Of 2)
G08143882