LEMON Manuals: Even more car manuals for everyone
Home >> Mazda >> 2012 >> 6 i Touring Plus >> Repair and Diagnosis >> Engine Performance >> Engine Control Systems >> Engine Control System [MZR 2.5] >> Control System Diagram

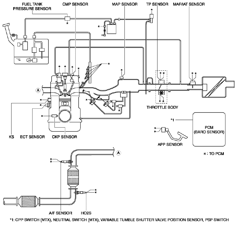
Control System Diagram

Fig 1: Control System Diagram (MZR 2.5)
G08140755