LEMON Manuals: Even more car manuals for everyone
Home >> Mazda >> 2011 >> 6 i Touring Plus >> Repair and Diagnosis >> Engine Performance >> Engine Control Systems >> Engine Control System [MZR 2.5] >> Control System Diagram

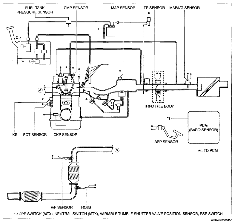
Control System Diagram

Fig 1: Control System Diagram (MZR 2.5)
G07620699Courtesy of MAZDA MOTORS CORP.


Fig 1: Control System Wiring Diagram (MZR 2.5; 1 Of 2)
G07620700Courtesy of MAZDA MOTORS CORP.
Fig 2: Control System Wiring Diagram (MZR 2.5; 2 Of 2)
G07620701Courtesy of MAZDA MOTORS CORP.