LEMON Manuals: Even more car manuals for everyone
Home >> Mazda >> 2009 >> MX-5 Miata SV >> Repair and Diagnosis >> Engine Performance >> Engine Control Systems >> Engine Control System (LF 2.0L) >> Control System Wiring Diagram [LF]

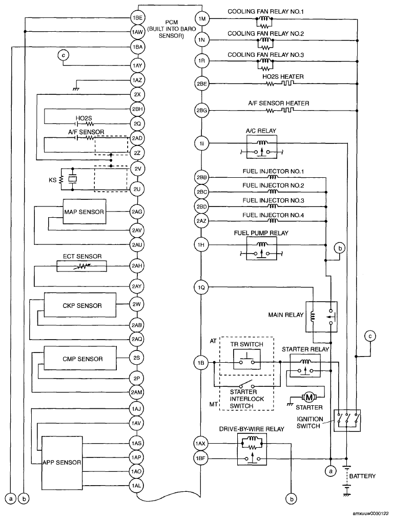
Control System Wiring Diagram [LF]

Fig 1: Control System Wiring Diagram (1 Of 2)
G06151036Courtesy of MAZDA MOTORS CORP.
Fig 2: Control System Wiring Diagram (2 Of 2)
G06151037Courtesy of MAZDA MOTORS CORP.