LEMON Manuals: Even more car manuals for everyone
Home >> Mazda >> 2009 >> 6 s Sport >> Repair and Diagnosis >> Accessories & Equipment >> Anti-Theft Systems >> Symptom Troubleshooting [Advanced Keyless Entry System And Push Button Start System) >> Keyless Entry System Wiring Diagram [Advanced Keyless Entry And Push Button Start System]

Keyless Entry System Wiring Diagram [Advanced Keyless Entry And Push Button Start System]

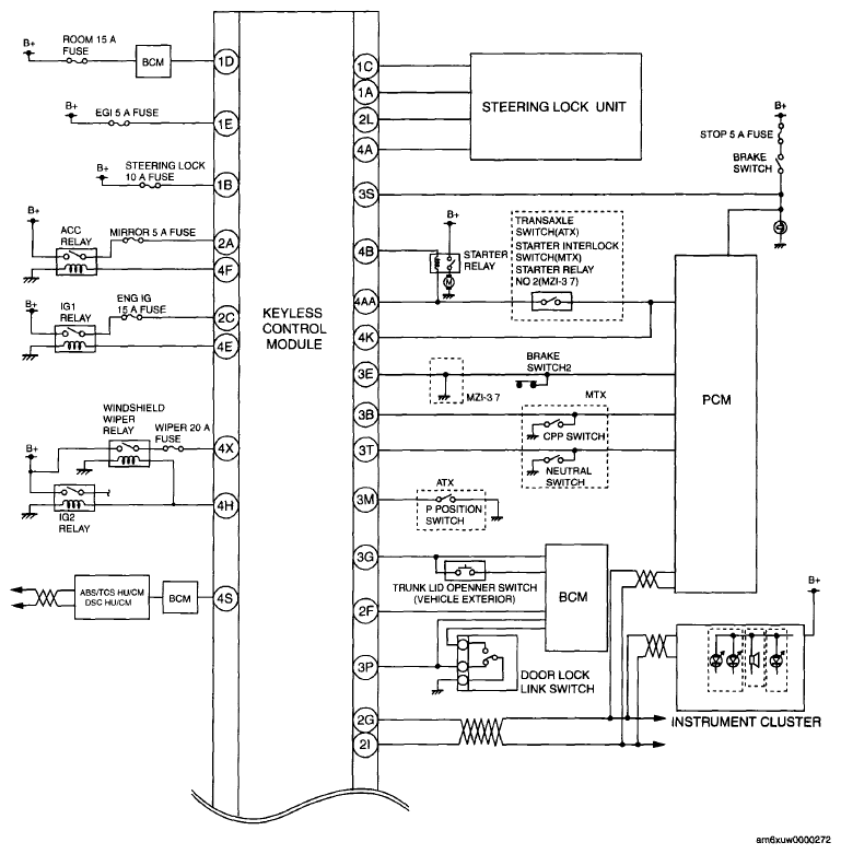
Fig 1: Keyless Entry System - Wiring Diagram (1 Of 2)
G06200642Courtesy of MAZDA MOTORS CORP.
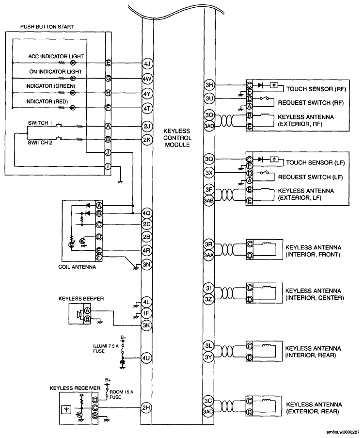
Fig 2: Keyless Entry System - Wiring Diagram (2 Of 2)
G06199655Courtesy of MAZDA MOTORS CORP.