LEMON Manuals: Even more car manuals for everyone
Home >> Mazda >> 2007 >> CX-7 Touring, AWD >> Repair and Diagnosis >> Engine Performance >> Engine Control Systems >> Engine Control System (L3 With TC) >> Control System Wiring Diagram

Control System Wiring Diagram

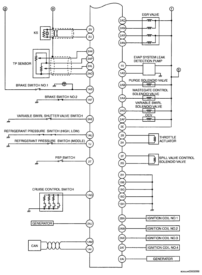
Fig 1: Control System Wiring Diagram - L3 With TC (1 Of 2)
G04859771Courtesy of MAZDA MOTORS CORP.
Fig 2: Control System Wiring Diagram - L3 With TC (2 Of 2)
G04859772Courtesy of MAZDA MOTORS CORP.