LEMON Manuals: Even more car manuals for everyone
Home >> Mazda >> 2007 >> B3000 Base, Automatic >> Repair and Diagnosis >> External Pages >> Different car >> Section 568 (Engine Control System) >> Control System Wiring Diagram (BP With TC)

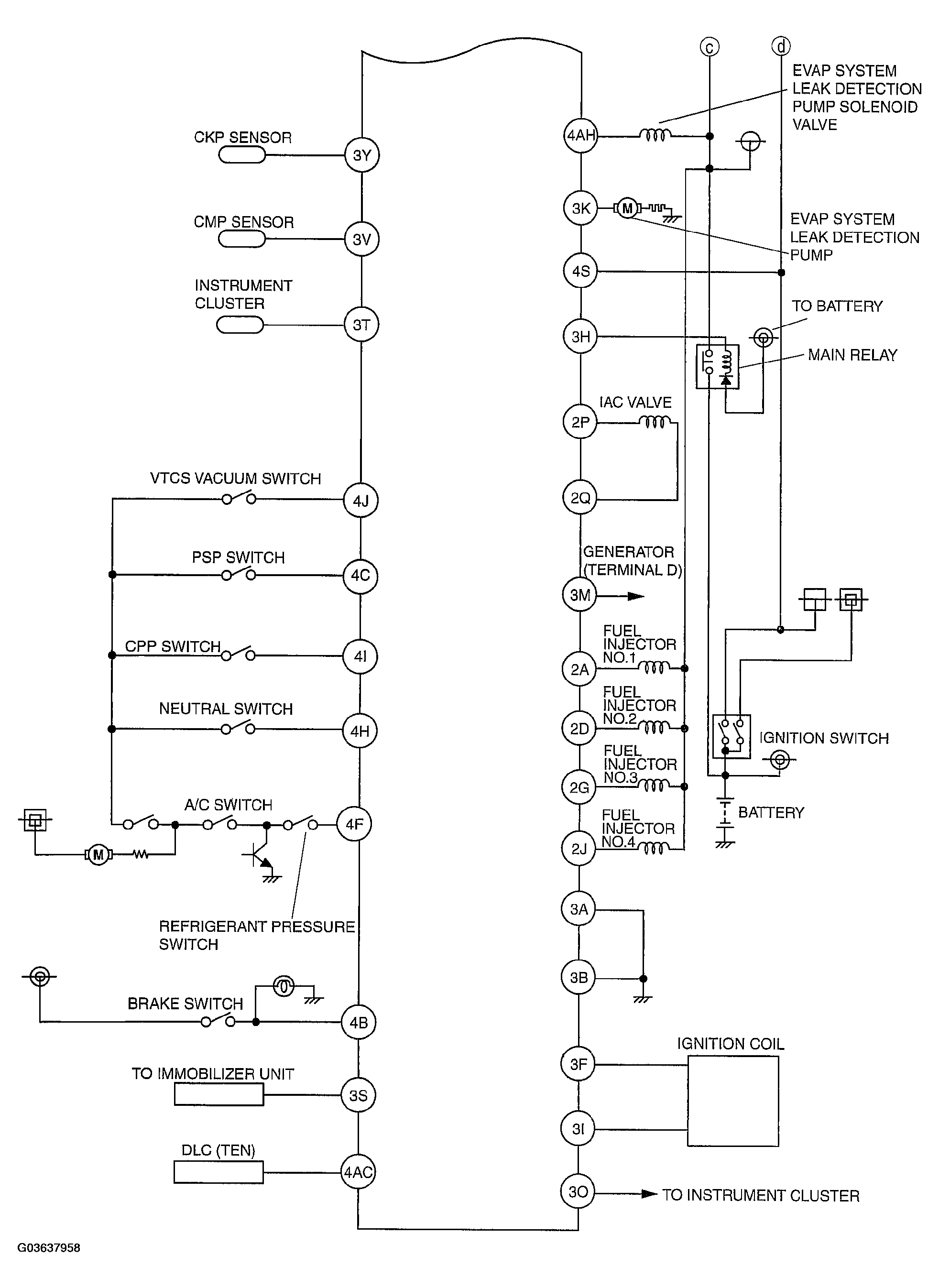
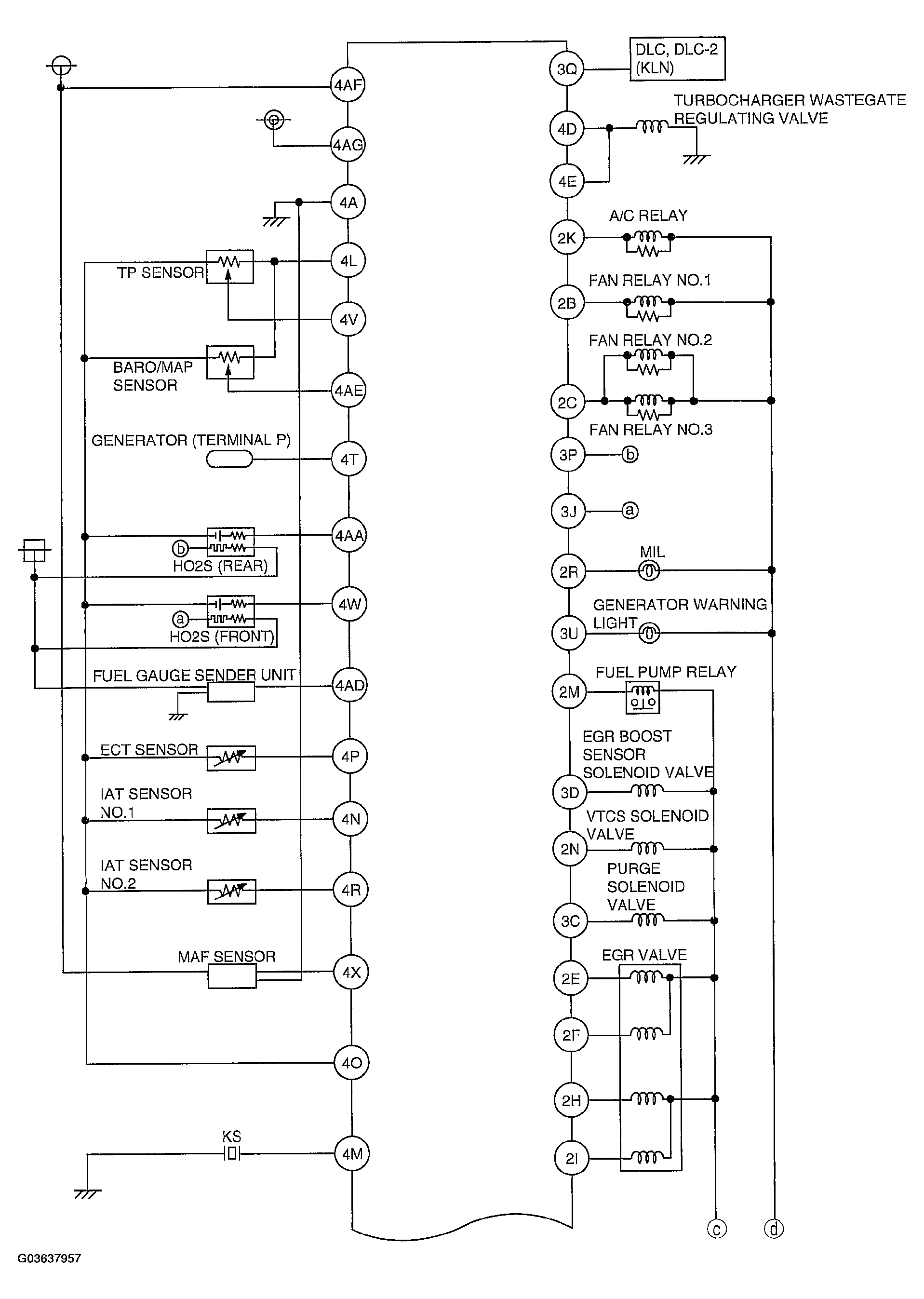
Control System Wiring Diagram (BP With TC)

WARNING: This page is about a different car, the 2005 Mazda MX-5 Miata. However, it is still accessible from the selected car via links, so may be relevant.
Fig 1: Identifying Control System Wiring Diagram (BP With TC) (1 Of 2)
G03637957Courtesy of MAZDA MOTORS CORP.
Fig 2: Identifying Control System Wiring Diagram (BP With TC) (2 Of 2)
G03637958Courtesy of MAZDA MOTORS CORP.