LEMON Manuals: Even more car manuals for everyone
Home >> Mazda >> 2007 >> B3000 Base, Automatic >> Repair and Diagnosis >> External Pages >> Different car >> Section 446 (Security System And Locks System) >> Power Door Lock System Wiring Diagram

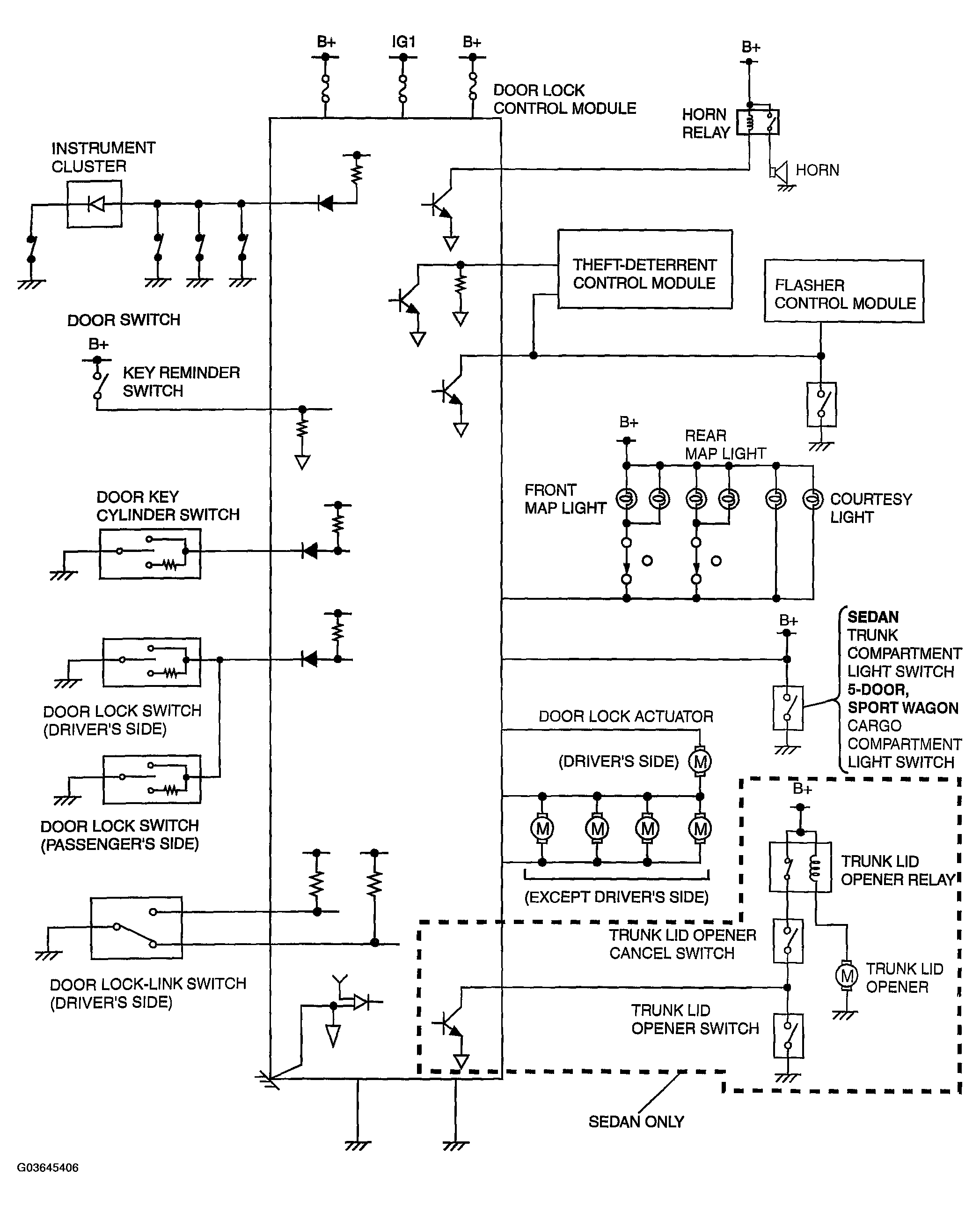
Power Door Lock System Wiring Diagram

WARNING: This page is about a different car, the 2005 Mazda 6. However, it is still accessible from the selected car via links, so may be relevant.
Fig 1: Power Door Lock System Wiring Diagram
G03645406Courtesy of MAZDA MOTORS CORP.