LEMON Manuals: Even more car manuals for everyone
Home >> Mazda >> 2007 >> B3000 Base, Automatic >> Repair and Diagnosis >> Engine Performance >> Engine Control Systems >> Clutch Pedal Position (CPP) Switch Removal / Installation

Clutch Pedal Position (CPP) Switch Removal / Installation

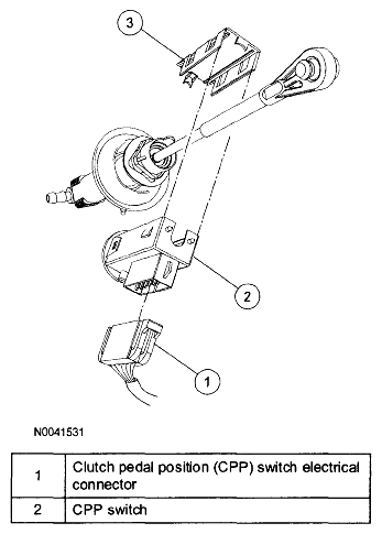
Fig 1: Identifying Clutch Pedal Position (CPP) Switch Components
G04930227Courtesy of MAZDA MOTORS CORP.
  1. Disconnect negative battery cable. See BATTERY DISCONNECT .
  2. Disconnect clutch pedal position (CPP) switch electrical connector.
    Fig 2: Disconnecting Clutch Pedal Position Switch Electrical Connector
    G04930228Courtesy of MAZDA MOTORS CORP.
  3. Spread the CPP switch apart and remove from the pedal rod.
    Fig 3: Removing CPP Switch
    G04930229Courtesy of MAZDA MOTORS CORP.
  4. To install, reverse the removal procedure.