LEMON Manuals: Even more car manuals for everyone
Home >> Mazda >> 2007 >> 5 Touring, 2.3 L >> Repair and Diagnosis >> Engine Performance >> Engine Control Systems >> Engine Control System [Engine (L3)] >> Control System Wiring Diagram

Control System Wiring Diagram

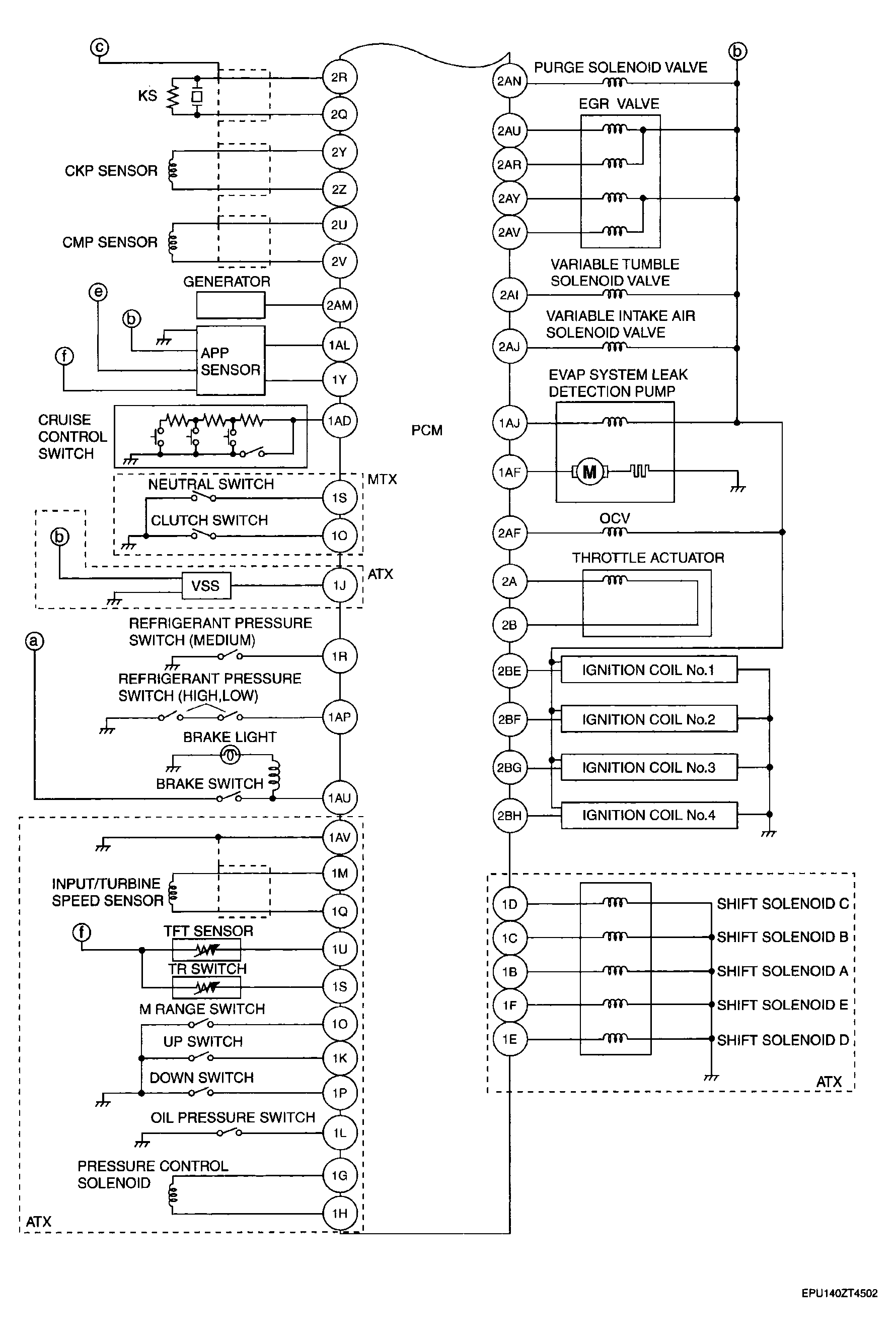
Fig 1: Control System Wiring Diagram [L3] (1 Of 2)
G04316051Courtesy of MAZDA MOTORS CORP.
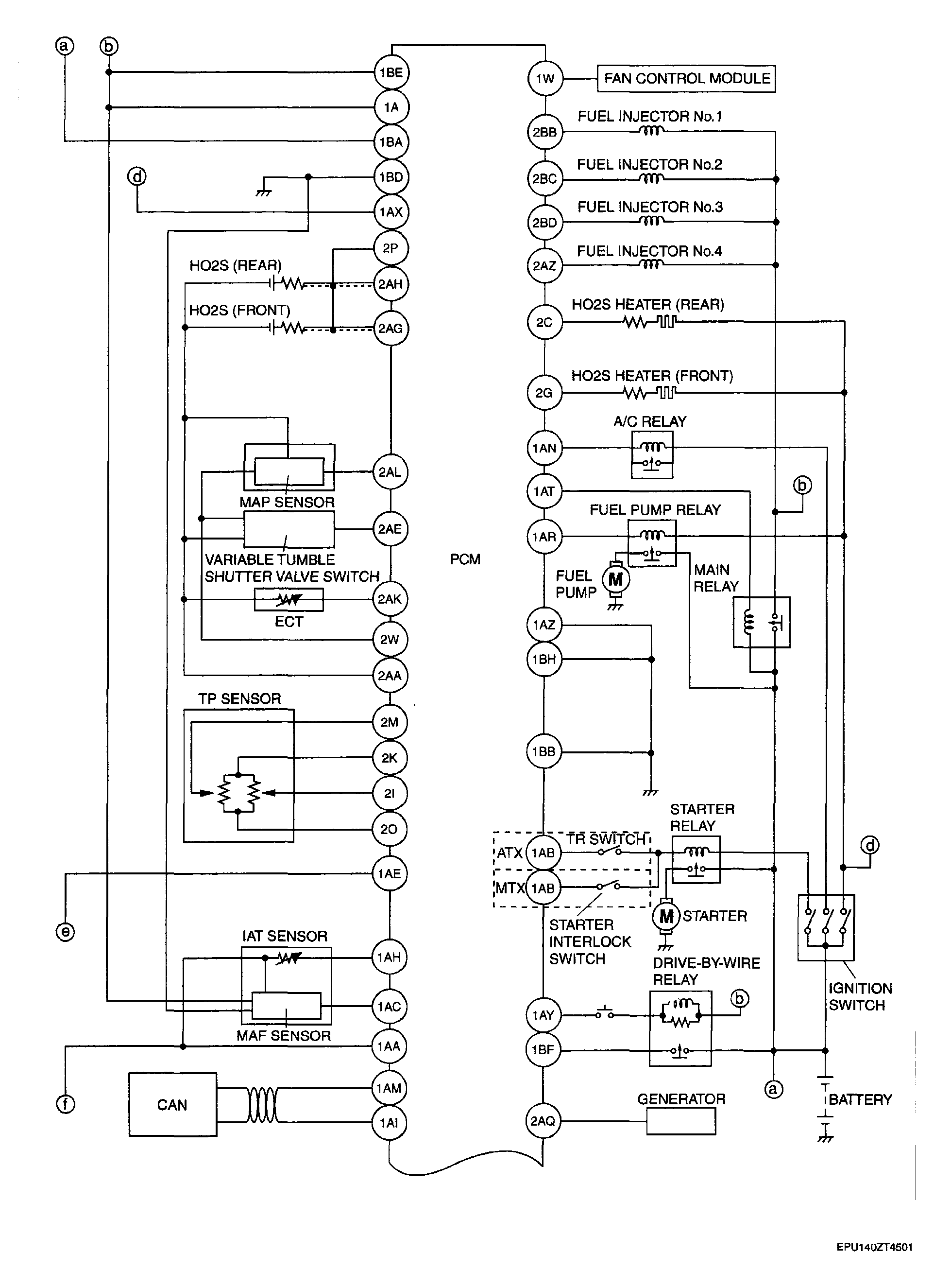
Fig 2: Control System Wiring Diagram [L3] (2 Of 2)
G04316052Courtesy of MAZDA MOTORS CORP.