LEMON Manuals: Even more car manuals for everyone
Home >> Mazda >> 2006 >> MPV ES >> Repair and Diagnosis >> Engine Performance >> System >> On-Board Diagnostic [Engine Control System (AJ)] >> Control System Wiring Diagram >> Without Rear HO2S Model >> With immobilizer system

With immobilizer system

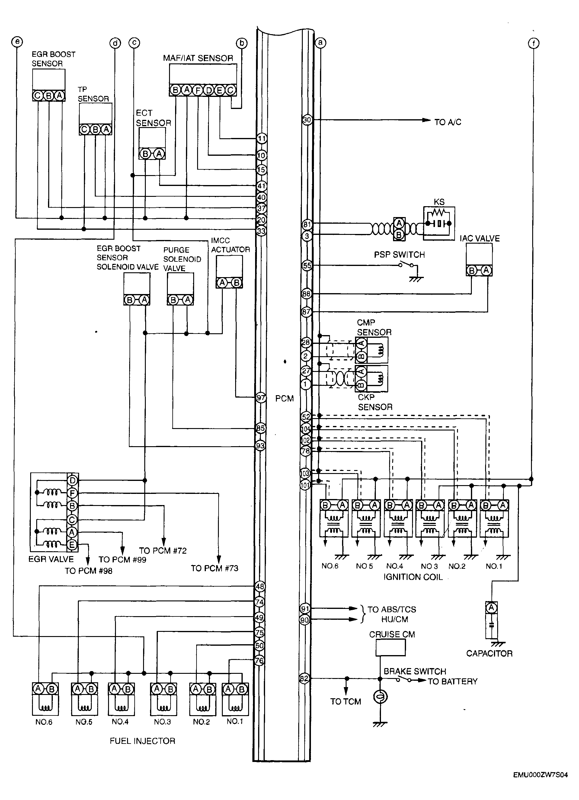
Fig 1: Control System Wiring Diagram [AJ] - Without Rear HO2S Model - With Immobilizer System (1 of 2)
G04327882Courtesy of MAZDA MOTORS CORP.
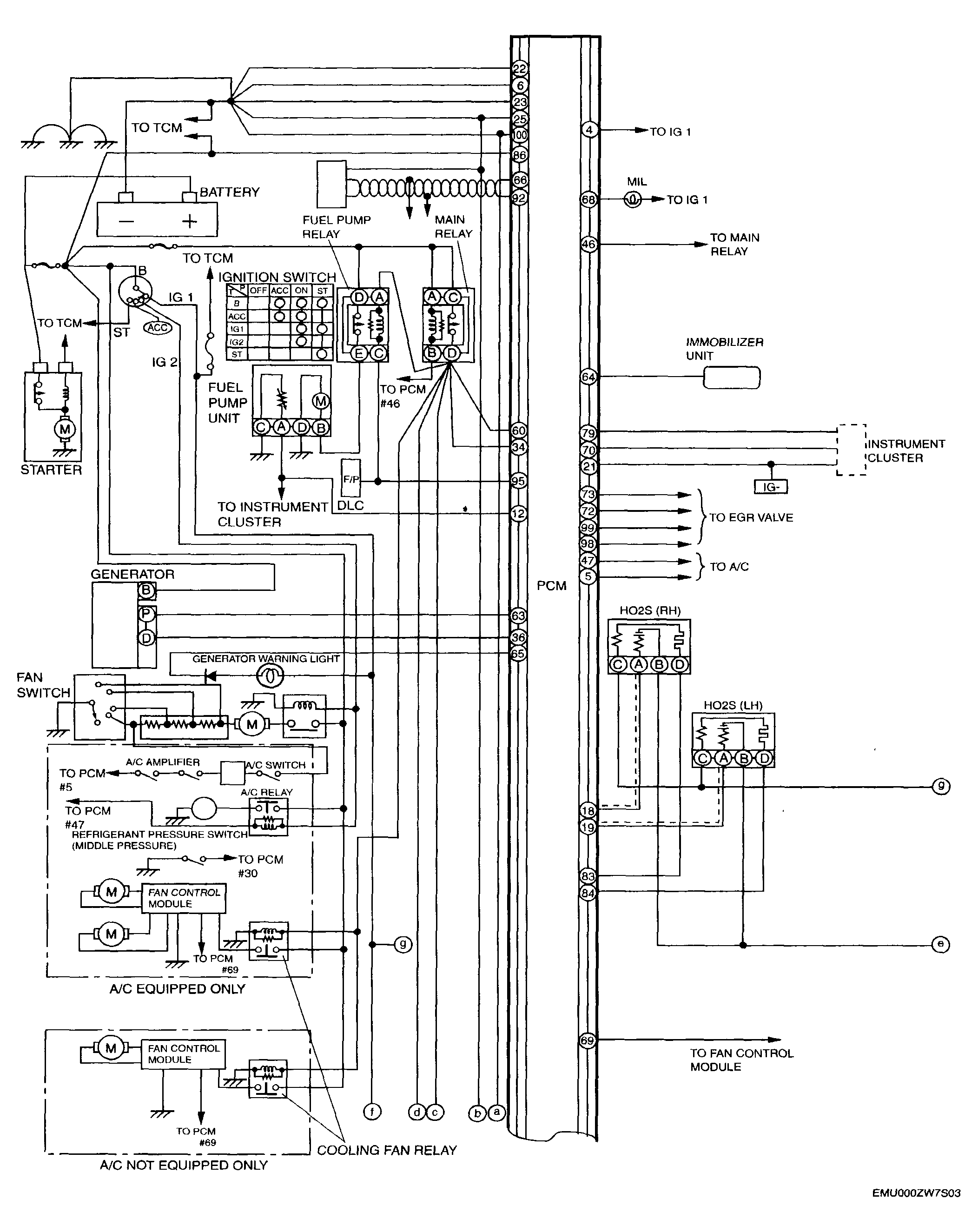
Fig 2: Control System Wiring Diagram [AJ] - Without Rear HO2S Model - With Immobilizer System (2 of 2)
G04327883Courtesy of MAZDA MOTORS CORP.