LEMON Manuals: Even more car manuals for everyone
Home >> Mazda >> 2006 >> MPV ES >> Repair and Diagnosis >> Engine Performance >> Engine Control Systems >> Control System Wiring Diagram >> Without Rear HO2S Model >> With immobilizer system

With immobilizer system

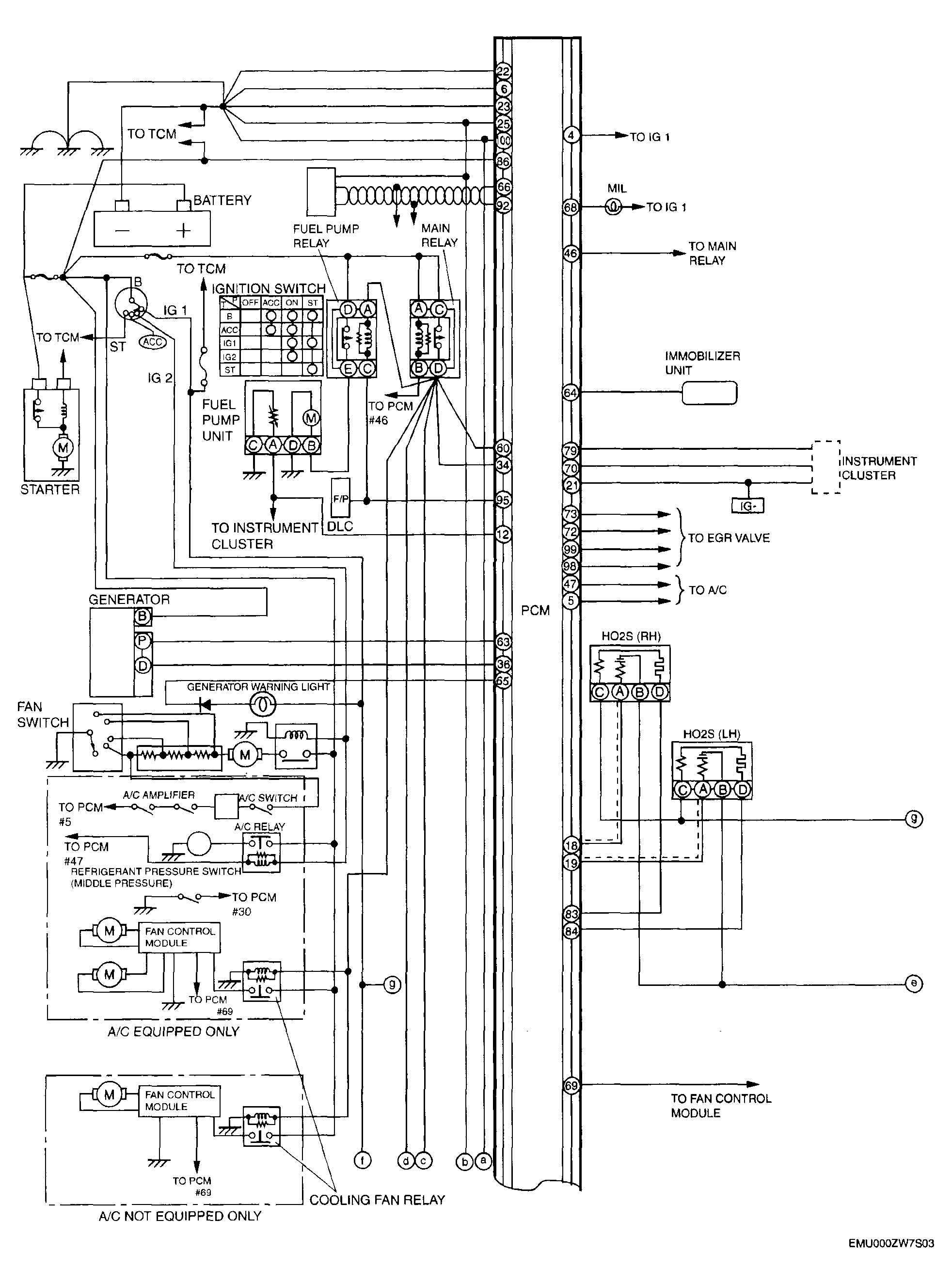
Fig 1: Control System Wiring Diagram - Without Rear HO2S Model (With Immobilizer System) (1 Of 2)
G04328299Courtesy of MAZDA MOTORS CORP.
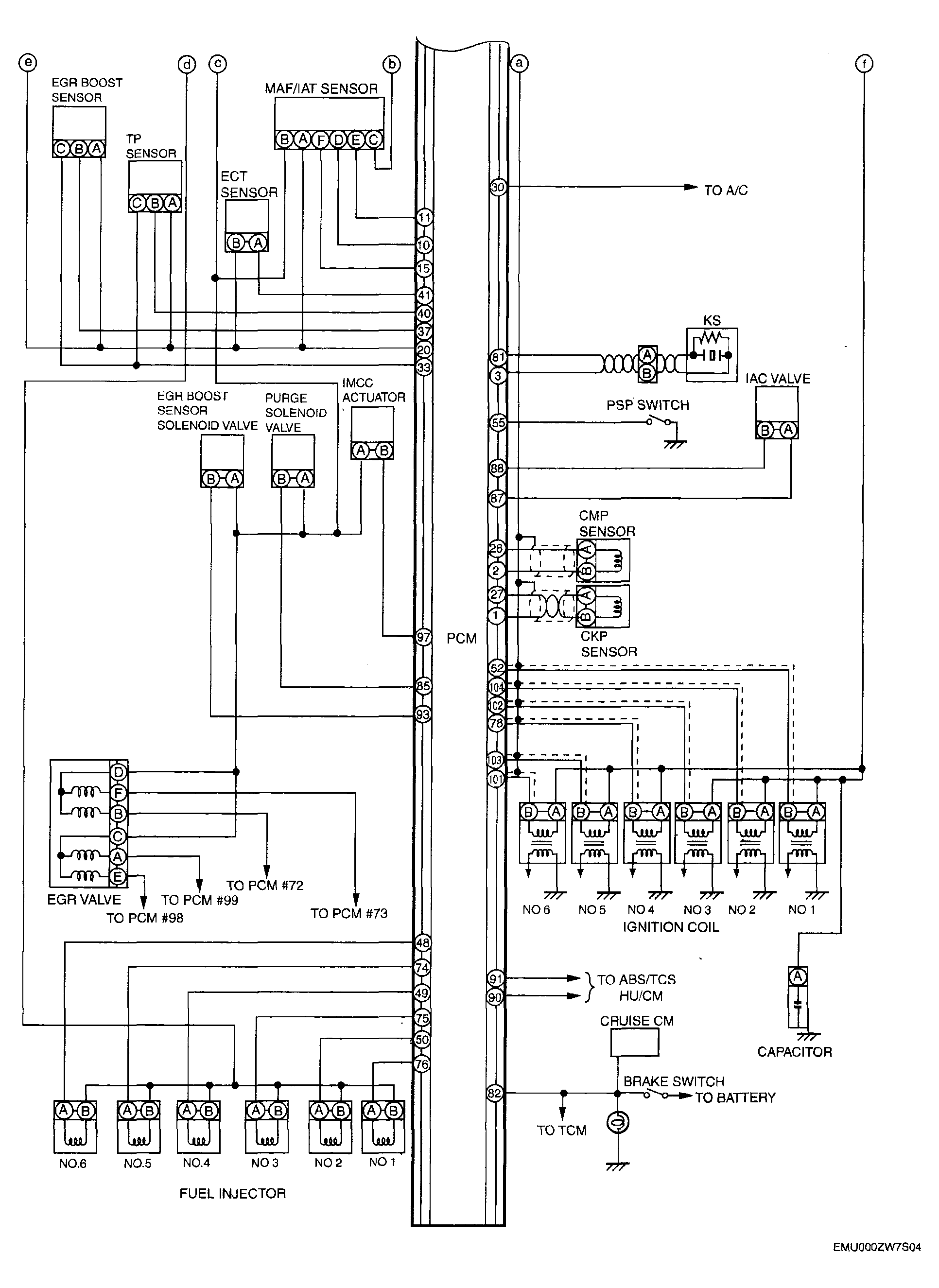
Fig 2: Control System Wiring Diagram - Without Rear HO2S Model (With Immobilizer System) (2 Of 2)
G04328300Courtesy of MAZDA MOTORS CORP.