LEMON Manuals: Even more car manuals for everyone
Home >> Mazda >> 2006 >> MPV ES >> Repair and Diagnosis >> Engine Performance >> Engine Control Systems >> Control System Wiring Diagram >> With Rear HO2S Model >> Without immobilizer system

Without immobilizer system

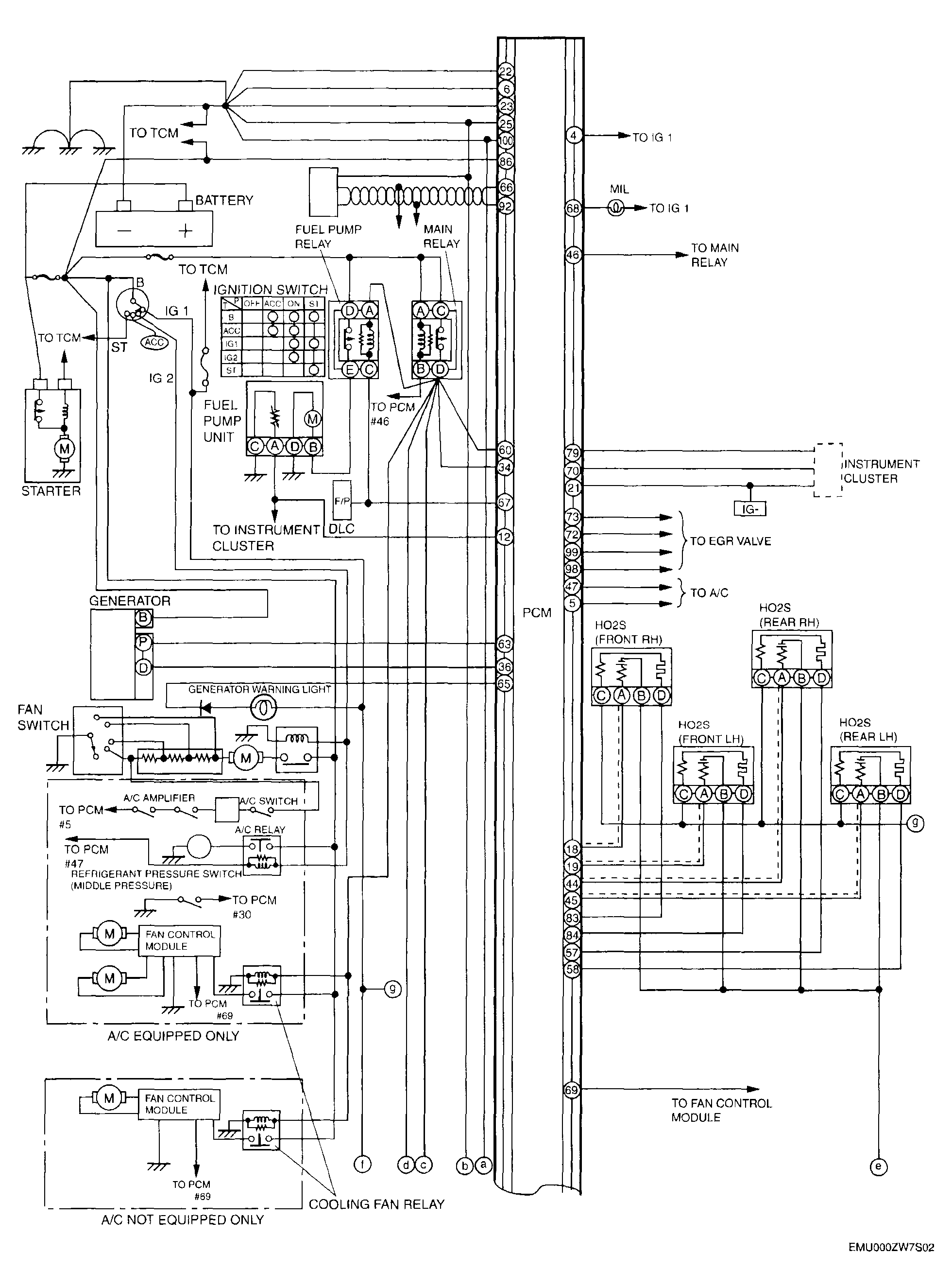
Fig 1: Control System Wiring Diagram - Without Immobilizer System (1 Of 2)
G04328297Courtesy of MAZDA MOTORS CORP.
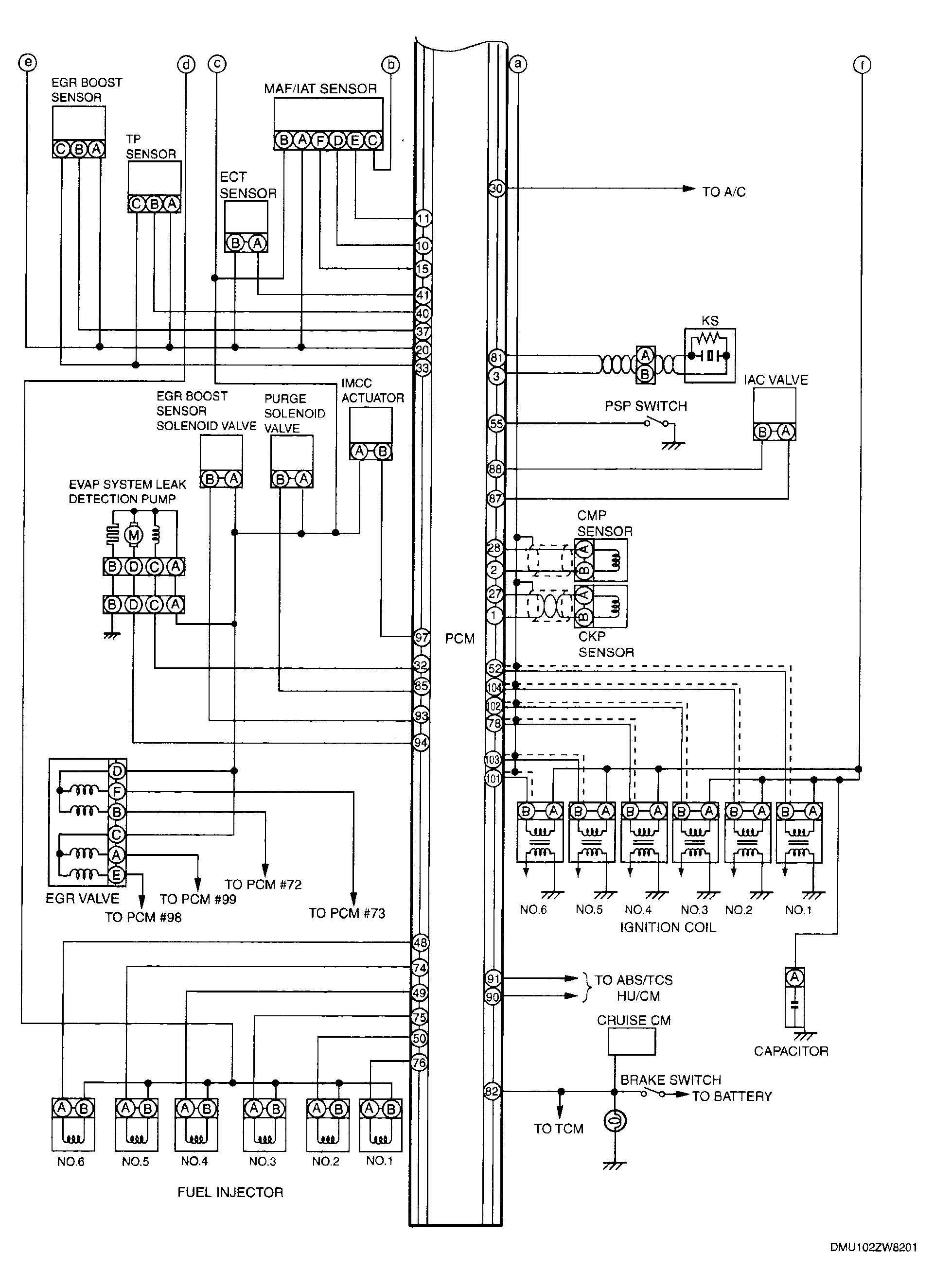
Fig 2: Control System Wiring Diagram - Without Immobilizer System (2 Of 2)
G04328298Courtesy of MAZDA MOTORS CORP.